- Главная
- Справочник
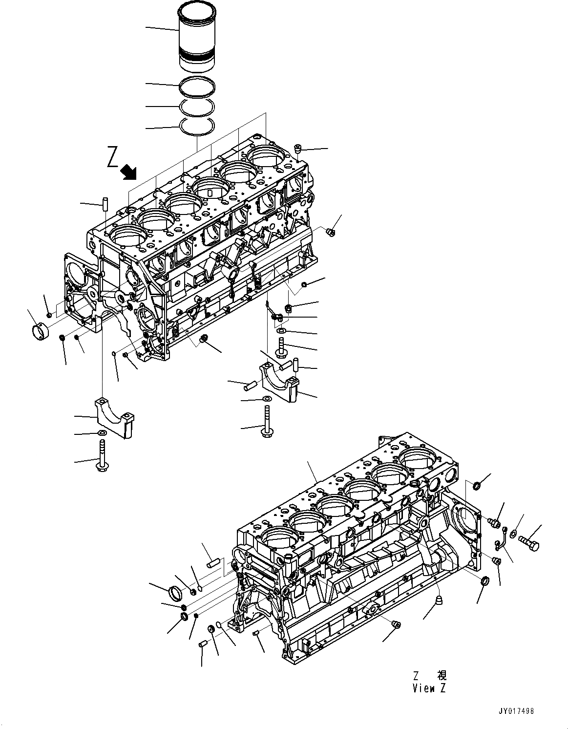
Запчасти блок цилиндров (№7-) двигатели saa6d140e-6c s/n 730016-up (for wa500-7) Komatsu
|
|
|$0 |
6261-21-1100 |
Cylinder Block Assembly
|
|
|
|$1 |
|
Block Subassembly
|
|
|
1 |
|
Block, Cylinder
|
|
|
2 |
6210-21-1491 |
Bushing
|
|
|
3 |
6217-21-1240 |
Cap, Main Metal, No.1, 2, 3, 4, 5, 6
|
|
|
4 |
6217-21-1250 |
Cap, Main Metal, No.7
|
|
|
5 |
04020-00514 |
Pin, Dowel
|
|
|
6 |
6217-21-1710 |
Bolt
|
|
|
7 |
01643-31845 |
Washer
|
|
|
8 |
07043-01019 |
Plug, Taper
|
|
|
9 |
6217-21-1980 |
Plug
|
|
|
10 |
07000-72025 |
O-ring
|
|
|
11 |
6217-21-1990 |
Plug
|
|
|
12 |
07000-72021 |
O-ring
|
|
|
13 |
07046-43516 |
Plug
|
|
|
14 |
07046-42516 |
Plug
|
|
|
15 |
07046-42010 |
Plug
|
|
|
16 |
07043-70108 |
Plug
|
|
|
17 |
07046-11816 |
Plug, Expansion
|
|
|
18 |
07046-41810 |
Plug
|
|
|
19 |
07046-47020 |
Plug
|
|
|
20 |
07046-44016 |
Plug
|
|
|
21 |
07043-70211 |
Plug
|
|
|
22 |
04020-00820 |
Pin, Dowel
|
|
|
23 |
6210-21-1910 |
Pin, Ring
|
|
|
24 |
6150-21-4770 |
Pin, Dowel
|
|
|
25 |
6150-21-5910 |
Bushing
|
|
|
26 |
6210-21-1390 |
Pin
|
|
|
27 |
6261-21-1611 |
Tube
|
|
|
28 |
6132-21-4620 |
Nipple
|
|
|
29 |
6934-72-7190 |
Bolt, Joint
|
|
|
30 |
07005-01012 |
Seal, Washer
|
|
|
31 |
6211-22-2220 |
Liner
|
|
|
32 |
6210-21-2270 |
Seal
|
|
|
33 |
6210-21-2240 |
O-ring
|
|
|
34 |
6210-21-2230 |
O-ring
|
|
|
35 |
6219-21-1950 |
Nozzle Assembly
|
|
|
36 |
6262-21-1980 |
Plate
|
|
|
37 |
01437-01025 |
Bolt
|
|
|
38 |
01643-51032 |
Washer
|
2
3
4
5
6
7
15
16
17
18
21
22
23
25
35
36
37
38
31
32
33
34
6
7
14
22
22
23
1
8
9
10
11
12
13
14
19
20
24
26
27
28
29
30
13
18
16
16
22