zakaz@zapkomat.su
8 800 777-45-32
Расчитать заявку
Каталог
Типы
Гидравлика
Крепеж
Прокладки
Соединения
Кожухи
Электрика
Справочник
Запрос сотрудничества
Сервисным организациям
Контакты
Главная
Справочник
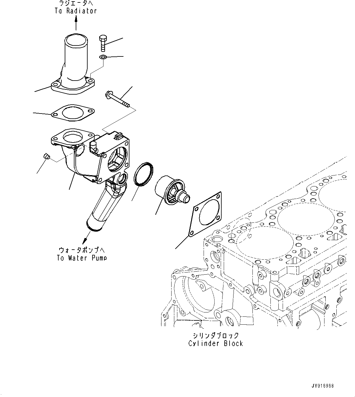
Запчасти термостат (№7-) самосвалы hm300-3 s/n 3001-up Komatsu
1
6251-21-6430
Housing
2
6150-22-6490
Gasket
3
01437-01065
Bolt
4
02720-20204
Plug
5
600-421-6630
Thermostat
6
6162-13-6440
Seal, Oil
7
6252-61-7240
Connector
7
6252-61-6110
Connector
8
6210-61-6441
Gasket
9
01010-81030
Bolt
10
01643-31032
Washer
4
2
5
6
1
8
7
3
9
10
X
Рассчитать
Ваше имя:
Телефон *:
E-mail:
Сообщение: Пришлите наличие и стоимость
Оформить заказ