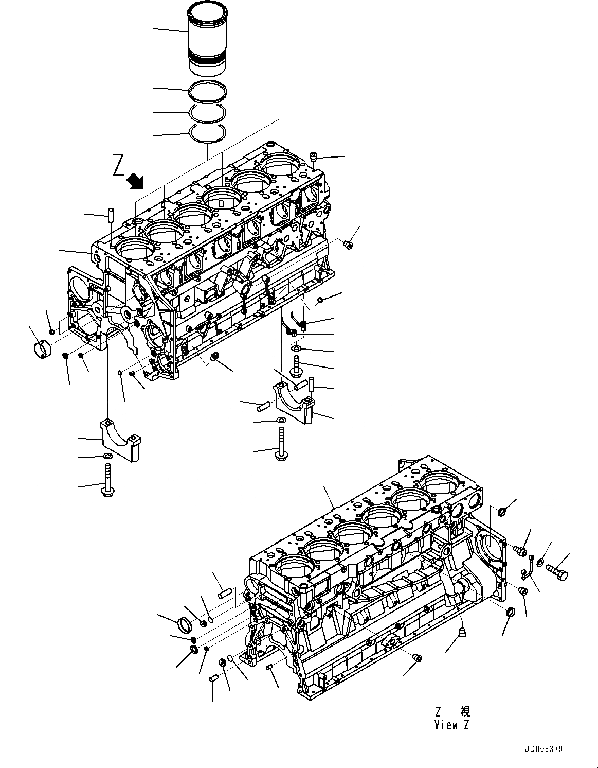
| |$0 | 6261-21-1100 | Cylinder Block Assembly | |
| |$1 | Block Subassembly | ||
| 1 | Block, Cylinder | ||
| 2 | 6210-21-1491 | Bushing, Camshaft | |
| 3 | 6217-21-1240 | Cap, Main Metal, No.1, 2, 3, 4, 5, 6 | |
| 4 | 6217-21-1250 | Cap, Main Metal, No.7 | |
| 5 | 04020-00514 | Pin, Dowel | |
| 6 | 6217-21-1710 | Bolt | |
| 7 | 01643-31845 | Washer | |
| 8 | 07043-01019 | Plug, Taper | |
| 9 | 6217-21-1980 | Plug | |
| 10 | 07000-72025 | O-ring | |
| 11 | 6217-21-1990 | Plug | |
| 12 | 07000-72021 | O-ring | |
| 13 | 07046-43516 | Plug | |
| 14 | 07046-42516 | Plug | |
| 15 | 07046-42010 | Plug | |
| 16 | 07043-70108 | Plug | |
| 17 | 07046-11816 | Plug, Expansion | |
| 18 | 07046-41810 | Plug | |
| 19 | 07046-47020 | Plug | |
| 20 | 07046-44016 | Plug | |
| 21 | 07043-70211 | Plug | |
| 22 | 04020-00820 | Pin, Dowel | |
| 23 | 6210-21-1910 | Pin, Ring, Ring | |
| 24 | 6150-21-4770 | Pin, Dowel | |
| 25 | 6150-21-5910 | Bushing | |
| 26 | 6210-21-1390 | Pin | |
| 27 | 6261-21-1611 | Tube | |
| 28 | 6132-21-4620 | Nipple | |
| 29 | 6934-72-7190 | Bolt, Joint | |
| 30 | 07005-01012 | Seal, Washer | |
| 31 | 6261-21-1910 | Nozzle, Piston Cooling, Front | |
| 32 | 6261-21-1920 | Nozzle, Piston Cooling, Rear | |
| 33 | 01437-01025 | Bolt | |
| 34 | 01643-51032 | Washer | |
| 35 | 6211-22-2210 | Liner, Cylinder | |
| 36 | 6210-21-2270 | Seal, Crevice | |
| 37 | 6210-21-2240 | O-ring,Center | |
| 38 | 6210-21-2230 | O-ring,Lower |