zakaz@zapkomat.su
8 800 777-45-32
Расчитать заявку
Каталог
Типы
Гидравлика
Крепеж
Прокладки
Соединения
Кожухи
Электрика
Справочник
Запрос сотрудничества
Сервисным организациям
Контакты
Главная
Справочник
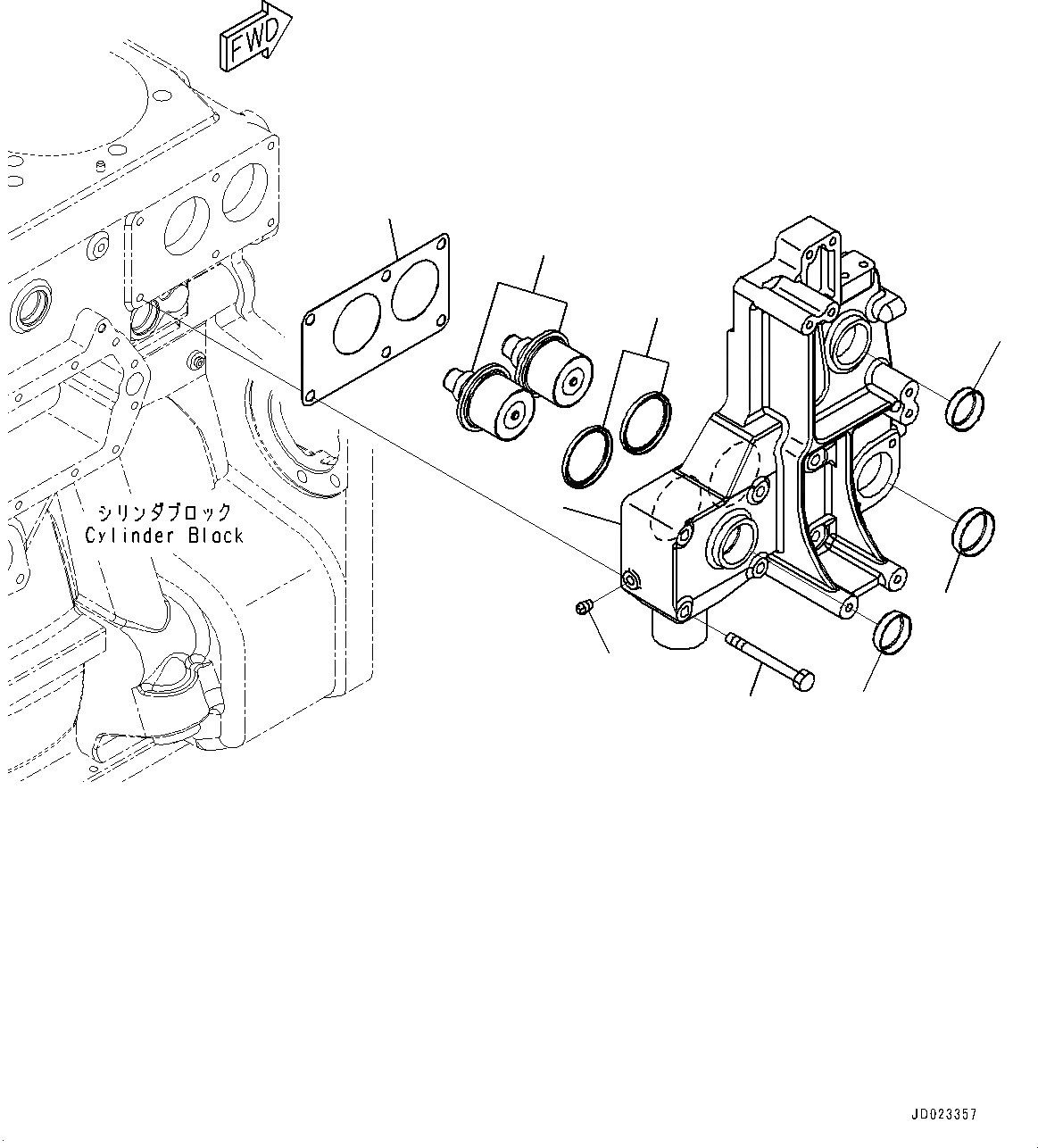
Запчасти термостат и термостат (№8-) самосвалы hd465-7r s/n 15352-up Komatsu
|$0
6245-11-6401
Housing Assembly
1
Housing, Thermostat
2
07046-44516
Plug
3
07046-45016
Plug
4
6240-11-6470
Gasket
5
01010-81095
Bolt
6
600-421-6630
Thermostat
7
6162-13-6440
Seal, Oil, Thermostat
8
07042-A0108
Plug
5
8
1
2
4
6
7
2
3
X
Рассчитать
Ваше имя:
Телефон *:
E-mail:
Сообщение: Пришлите наличие и стоимость
Оформить заказ