| |$1 | 6150-11-1101 | CYLINDER HEAD ASS'Y,VALVE LESS | |
| |$2 | 6150-11-1100 | CYLINDER HEAD ASS'Y,VALVE LESS | |
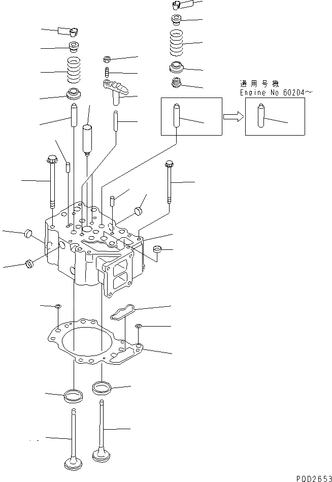
| 1 | HEAD,CYLINDER | ||
| 2 | 6136-11-1130 | SLEEVE | |
| 3 | 6150-11-1320 | INSERT,EXHAUST VALVE (STD) | |
| 3 | 6150-19-1320 | INSERT, 0.25MM,EXHAUST VALVE (OS) | |
| 3 | 6150-18-1320 | INSERT, 0.50MM,EXHAUST VALVE (OS) | |
| 3 | 6150-17-1320 | INSERT, 0.75MM,EXHAUST VALVE (OS) | |
| 3 | 6150-16-1320 | INSERT, 1.00MM,EXHAUST VALVE (OS) | |
| 4 | 6150-11-1331 | INSERT,INTAKE VALVE (STD) | |
| 4 | 6150-19-1331 | INSERT, 0.25MM,INTAKE VALVE (OS) | |
| 4 | 6150-18-1331 | INSERT, 0.50MM,INTAKE VALVE (OS) | |
| 4 | 6150-17-1331 | INSERT, 0.75MM,INTAKE VALVE (OS) | |
| 4 | 6150-16-1331 | INSERT, 1.00MM,INTAKE VALVE (OS) | |
| 5 | 6150-12-1341 | GUIDE,INTAKE VALVE | |
| 6 | 6150-12-1351 | GUIDE,EXHAUST VALVE | |
| 7 | 6162-13-1150 | PLUG,EXPANSION | |
| 8 | 04020-00820 | PIN,DOWEL | |
| 9 | 6150-11-1140 | GUIDE | |
| 10 | 6150-41-4111 | VALVE,INTAKE | |
| 11 | 6150-41-4210 | VALVE,EXHAUST | |
| 12 | 6150-41-4510 | SEAT,UPPER | |
| 13 | 6150-41-4430 | SEAT,LOWER | |
| 14 | 6136-42-4520 | COTTER | |
| 15 | 6150-41-4411 | SPRING,VALVE | |
| 16 | 6150-41-4570 | SEAL,EXHAUST VALVE (K1) | |
| 16 | 6140-41-4540 | SEAL,EXHAUST VALVE (K1) | |
| 17 | 6150-41-5611 | CROSSHEAD | |
| 18 | 6150-41-5620 | SCREW | |
| 19 | 6150-41-5630 | NUT | |
| 20 | 6150-17-1853 | GASKET,HEAD | |
| 20 | 6150-17-1852 | GASKET,HEAD | |
| 21 | 6150-11-1920 | GROMMET,OIL | |
| 22 | 6150-11-1930 | GROMMET,OIL | |
| 23 | GROMMET,WATER | ||
| 23 | GROMMET,WATER | ||
| 24 | 6150-11-1610 | BOLT | |
| 25 | 01438-01020 | BOLT | |
| 25 | 6150-81-9160 | BOLT |