| |$0 | 233-46-00102 | FRAME ASS'Y | |
| |$1 | 233-46-00101 | FRAME ASS'Y | |
| |$2 | 233-46-00100 | FRAME ASS'Y | |
| |$3 | 233-46-00025 | SUPPORT ASS'Y | |
| |$4 | 233-46-00024 | SUPPORT ASS'Y | |
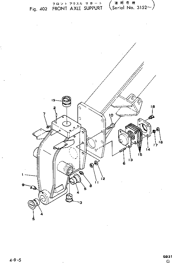
| 1 | 233-46-13315 | SUPPORT | |
| 2 | 04020-01228 | PIN | |
| 3 | 232-46-13131 | BUSHING | |
| 4 | 234-46-11330 | BUSHING | |
| 5 | 234-46-11340 | BUSHING | |
| 6 | 01124-82080 | STUD | |
| 7 | 07020-00000 | FITTING | |
| 7 | 07042-00108 | PLUG | |
| 8 | 07020-00000 | FITTING | |
| 9 | 07020-00675 | FITTING | |
| 10 | 01010-82480 | BOLT | |
| 11 | 01580-12419 | NUT | |
| 12 | 01602-02472 | WASHER | |
| 13 | 233-46-13151 | SOCKET | |
| 14 | 233-46-13160 | COVER | |
| 15 | 233-46-05011 | SHIM ASS'Y | |
| 15 | SHIM, 0.5MM | ||
| 15 | SHIM, 1.0MM | ||
| 16 | 01580-02016 | NUT | |
| 17 | 01602-02060 | WASHER | |
| 18 | 07020-00675 | FITTING | |
| 19 | 232-41-26131 | BUSHING |