zakaz@zapkomat.su
8 800 777-45-32
Расчитать заявку
Каталог
Типы
Гидравлика
Крепеж
Прокладки
Соединения
Кожухи
Электрика
Справочник
Запрос сотрудничества
Сервисным организациям
Контакты
Главная
Справочник
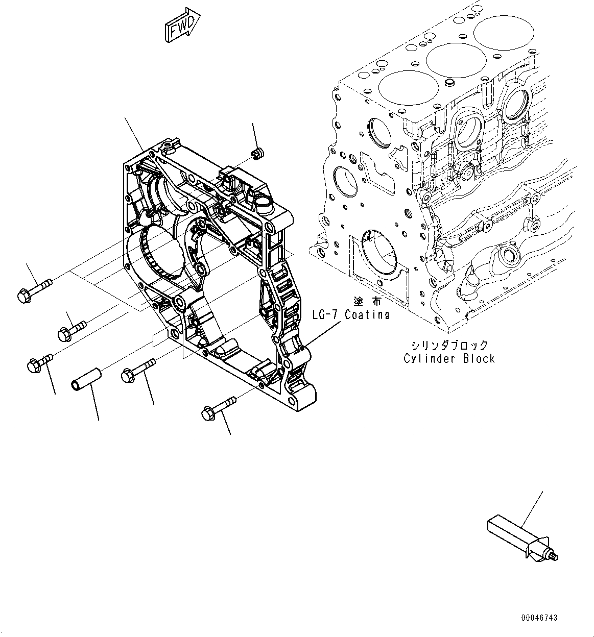
Запчасти задн. кожух шестерен. передачи (№989-) двигатели saa6d107e-1q s/n 26598590-up (for pc220-8m0/pc220lc-8m0) Komatsu
|$0
6754-21-3103
Housing Assembly,Rear Gear
1
Housing,Rear Gear
2
6754-21-3120
Pin
3
6754-21-3150
Insert
4
6735-61-2120
Bolt
5
01435-61030
Bolt
6
6732-11-1720
Bolt
7
6754-21-3140
Bolt
8
09920-00150
Liquid gasket, LG-7, 150G
7
8
7
6
5
4
3
2
1
X
Рассчитать
Ваше имя:
Телефон *:
E-mail:
Сообщение: Пришлите наличие и стоимость
Оформить заказ