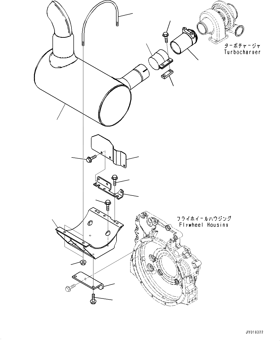
Запчасти выпускн. глушитель (№989-) двигатели saa6d107e-1q s/n 26598590-up (for pc220-8m0/pc220lc-8m0) Komatsu



1 6754-11-6130 Muffler
2 6754-11-5940 U-bolt
3 01594-01008 Nut
4 6210-11-5232 Clamp
5 6208-11-5850 Plate
6 01435-01235 Bolt
7 6754-11-5490 Bracket
8 01435-01030 Bolt
9 6754-11-5420 Bracket
10 01435-01025 Bolt
11 6754-71-9740 Bracket
12 6754-71-9770 Cover
13 01435-00820 Bolt
14 6735-11-5611 Tube
1
2
3
4
5
6
7
8
9
10
11
12
13
14
13
X
Рассчитать