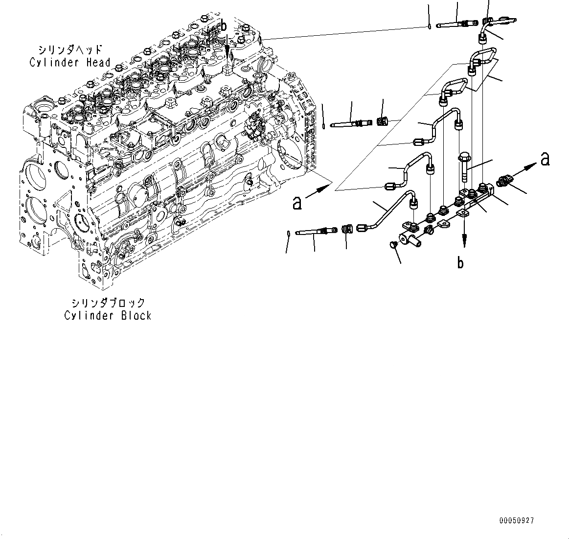
Запчасти части perдляmance, common rail (№989-) двигатели saa6d107e-1q s/n 26598590-up (for pc220-8m0/pc220lc-8m0) Komatsu



|$0 6754-71-5511 Connector Assembly
1 Connector
2 6754-71-5530 O-ring
3 6754-71-5541 Retainer
3 6754-71-1210 Rail Assembly
4 Common Rail
5 6754-72-1220 Valve
6 6754-72-1211 Sensor, Pressure
7 6733-11-4150 Bolt
8 6754-71-5210 Tube
9 6754-71-5220 Tube
10 6754-71-5230 Tube
11 6754-71-5240 Tube
12 6754-71-1991 Decal
4
6
7
12
5
9
10
2
1
3
11
3
1
2
1
2
3
8
9
X
Рассчитать