Запчасти кабина, пол, консоль, лев. (№-) экскаваторы pc220-8m0 s/n 100001-up Komatsu



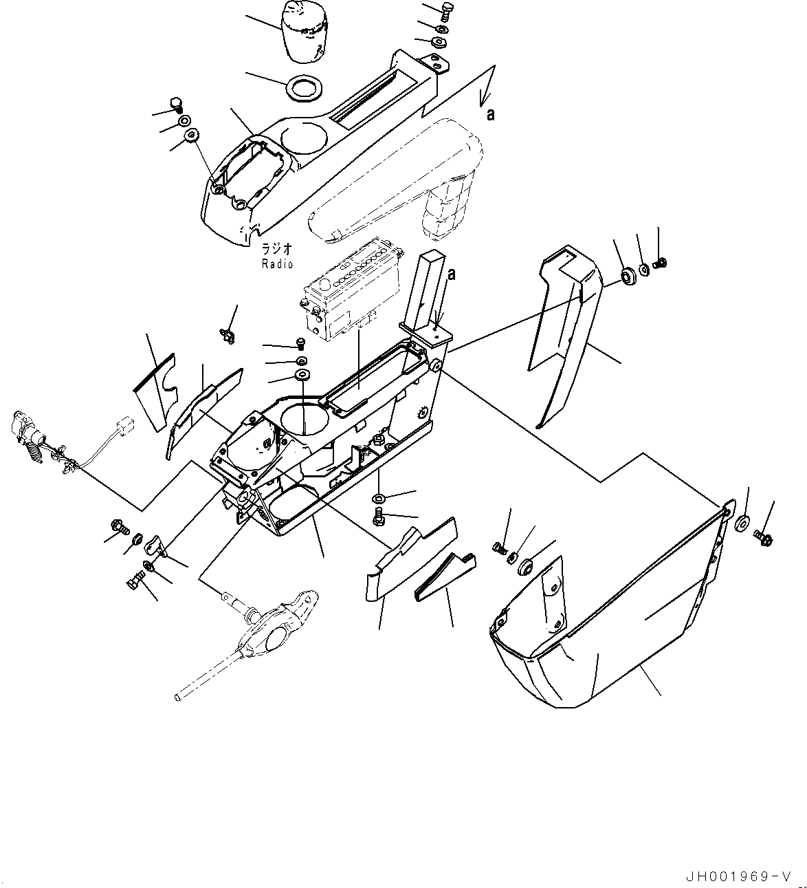
1 20Y-43-41416 Frame
2 01010-81030 Bolt
3 01643-31032 Washer
4 20Y-43-41472 Bracket
5 01010-80616 Bolt
6 01643-30623 Washer
7 20Y-43-41621 Sheet
8 20Y-43-41641 Sheet
9 20Y-43-41424 Cover
10 20Y-43-41651 Sheet
11 20Y-43-41661 Sheet
12 01245-00616 Screw
13 01643-70623 Washer
14 01010-80616 Bolt
15 01643-30623 Washer
16 20Y-43-41290 Collar
17 20Y-43-41442 Cover
18 01245-00616 Screw
19 01643-70623 Washer
20 01435-00612 Bolt
21 20Y-43-41290 Collar
22 20Y-43-41453 Cover
23 01245-00616 Screw
24 01643-70623 Washer
25 20Y-43-41290 Collar
26 22U-43-23260 Clip
27 20Y-43-41970 Sheet
28 20Y-43-41491 Ashtray
3
2
4
6
5
7
8
9
10
11
16
13
12
15
16
15
16
14
14
17
21
19
18
21
20
21
20
22
25
24
23
28
26
1
27
X
Рассчитать