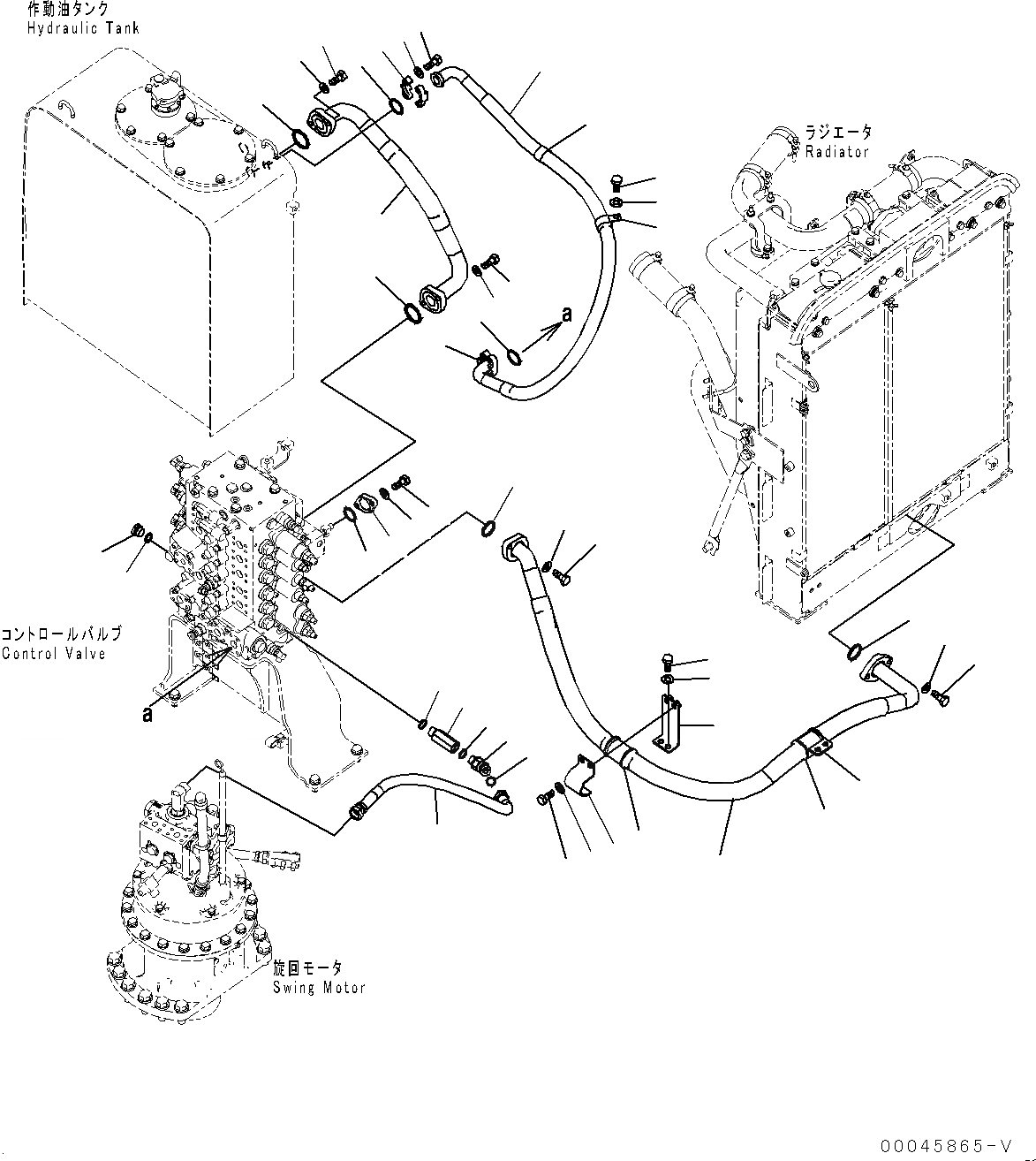
| 1 | 206-62-21181 | Hose | |
| 2 | 07000-13048 | O-ring | |
| 3 | 01010-81240 | Bolt | |
| 4 | 01643-31232 | Washer | |
| 5 | 01010-81240 | Bolt | |
| 6 | 01643-31232 | Washer | |
| 7 | 22U-62-21551 | Clamp | |
| 8 | 01010-81225 | Bolt | |
| 9 | 01643-31232 | Washer | |
| 10 | 07095-01245 | Cushion | |
| 11 | 203-62-61410 | Joint | |
| 12 | 07002-12434 | O-ring | |
| 13 | 02783-10628 | Elbow | |
| 14 | 07002-12434 | O-ring | |
| 15 | 02896-11018 | O-ring | |
| 16 | 02774-00608 | Hose | |
| 17 | 07040-12412 | Plug | |
| 18 | 07002-12434 | O-ring | |
| 19 | 20Y-62-51461 | Bracket | |
| 20 | 01010-81225 | Bolt | |
| 21 | 01643-31232 | Washer | |
| 22 | 20Y-62-54110 | Hose | |
| 23 | 07000-13048 | O-ring | |
| 24 | 01010-81240 | Bolt | |
| 25 | 01643-31232 | Washer | |
| 26 | 01010-81235 | Bolt | |
| 27 | 01643-31232 | Washer | |
| 28 | 20Y-62-51332 | Hose | |
| 29 | 07000-13032 | O-ring | |
| 30 | 07371-31049 | Flange, Split | |
| 31 | 07372-21035 | Bolt | |
| 32 | 01643-51032 | Washer | |
| 33 | 281-01-13180 | Clip | |
| 34 | 01010-81225 | Bolt | |
| 35 | 01643-31232 | Washer | |
| 36 | 20Y-62-53160 | Flange | |
| 37 | 07000-13040 | O-ring | |
| 38 | 01010-81035 | Bolt | |
| 39 | 01643-31032 | Washer |