zakaz@zapkomat.su
8 800 777-45-32
Расчитать заявку
Каталог
Типы
Гидравлика
Крепеж
Прокладки
Соединения
Кожухи
Электрика
Справочник
Запрос сотрудничества
Сервисным организациям
Контакты
Главная
Справочник
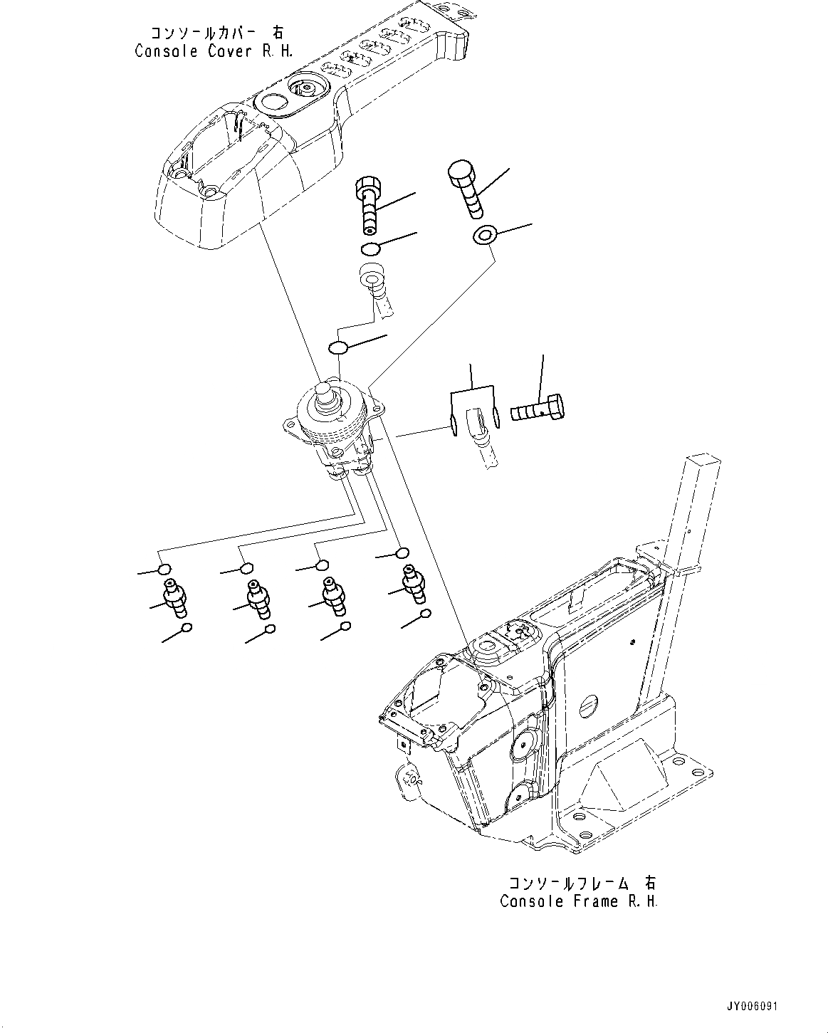
Запчасти кабина, пол, клапан, прав. (№-) экскаваторы hb205-1m0 s/n 10001-up Komatsu
1
01010-80820
Bolt
2
01643-30823
Washer
3
20Y-62-18910
Plug
4
07000-12018
O-ring
5
20Y-62-18890
Bolt, Joint
6
07000-12015
O-ring
7
11Y-62-12520
Union
8
02896-11009
O-ring
9
07002-11423
O-ring
9
8
7
9
9
9
8
8
8
7
7
7
4
4
3
1
2
5
6
X
Рассчитать
Ваше имя:
Телефон *:
E-mail:
Сообщение: Пришлите наличие и стоимость
Оформить заказ