Запчасти компоненты двигателя, поршень насос (/) (№-) экскаваторы hb205-1m0 s/n 10001-up Komatsu



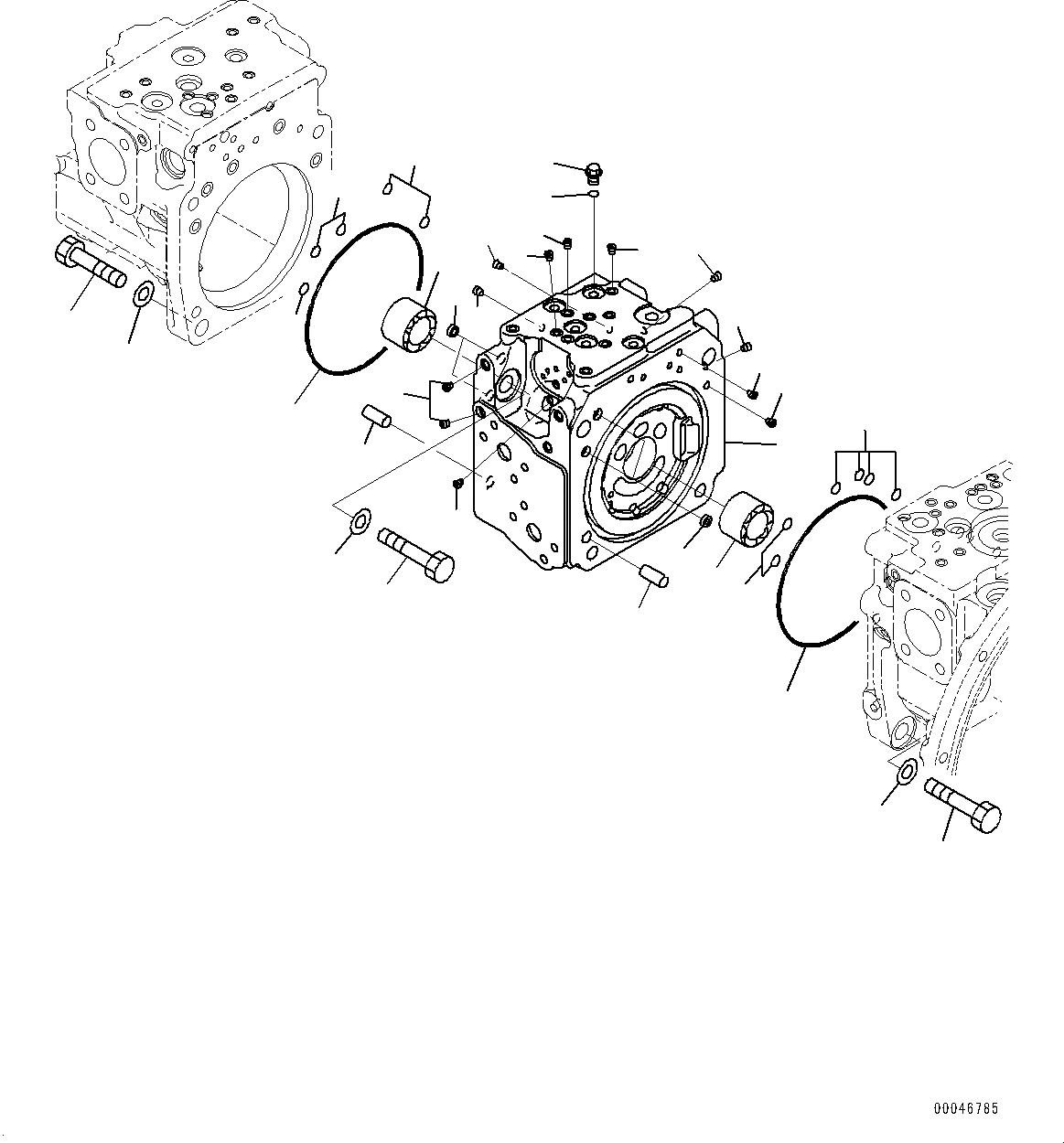
|$0 708-2L-00400 Pump Assembly
|$1 708-2L-01400 Pump Subassembly
|$2 708-2L-06450 Cap Assembly
1 Cap
2 Plug
3 708-2L-32260 Bearing
4 07000-A5165 O-ring
5 04020-01228 Pin, Dowel
6 07000-B2012 O-ring
7 708-2L-25480 Filter
8 01010-61655 Bolt
9 01643-31645 Washer
10 708-8E-16150 Plug
11 07002-61023 O-ring
12 708-1L-29340 Orifice
1
3
4
5
6
7
10
11
4
3
2
2
2
2
2
2
2
2
5
12
12
2
7
9
9
8
8
8
9
6
6
6
6
X
Рассчитать