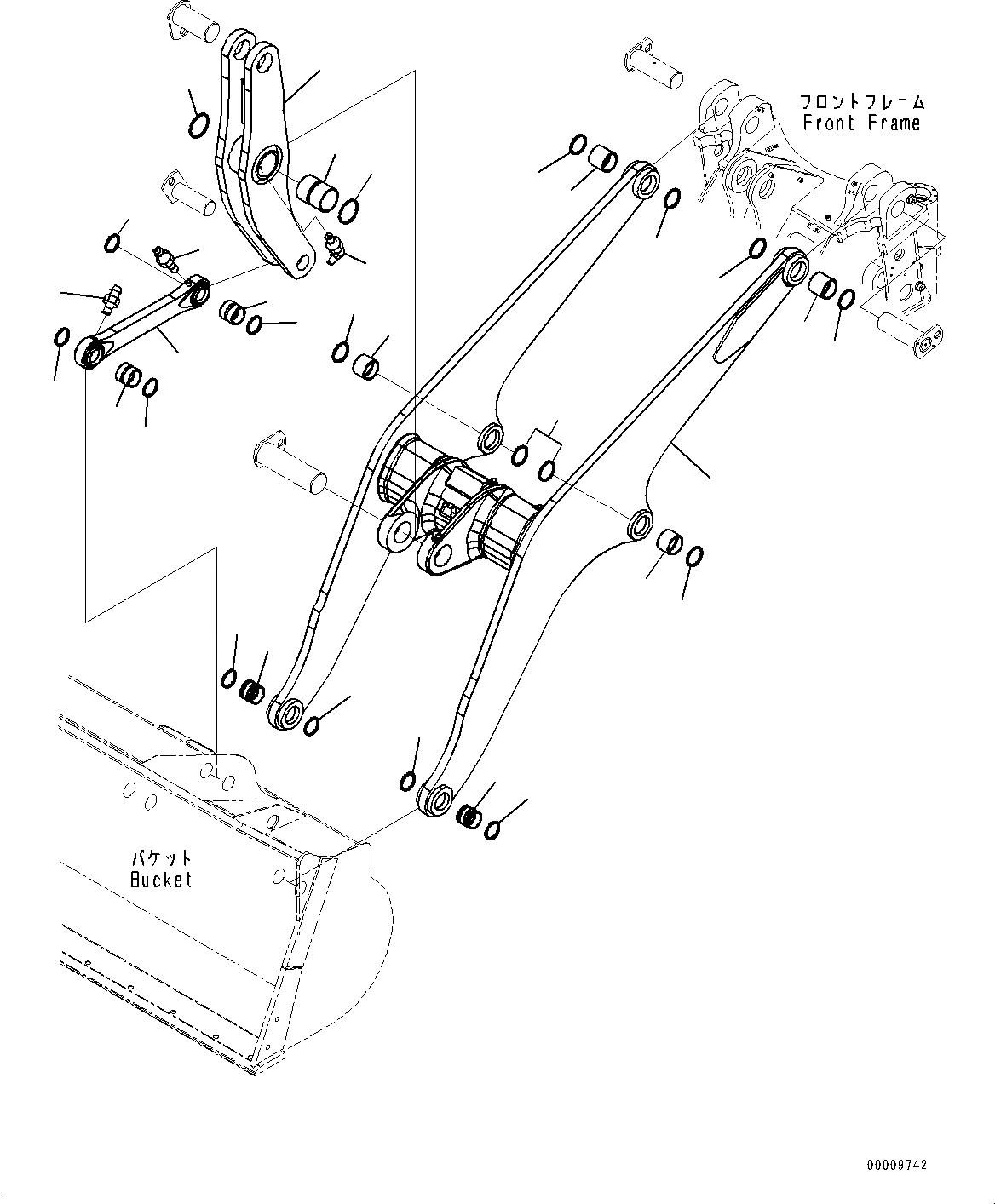
Запчасти рукоять и bell crank, стрела, bell crank и соединительн. звено (№87-) погрузчики колесные wa380z-6 s/n 66847-up Komatsu



|$0 423-850-4100 Boom Assembly
1 423-70-21810 Bushing
2 424-70-11770 Bushing
3 424-70-11890 Bushing
4 Boom
5 424-09-12320 Seal, Dust
6 421-09-11310 Seal, Dust
6 423-70-31202 Bell Crank Assembly
7 Bell Crank
8 424-70-11860 Bushing
9 421-09-11350 Seal, Dust
10 07020-00900 Fitting, Grease
|$12 423-850-0030 Link Assembly
11 Link
12 424-70-11820 Bushing
13 424-09-12320 Seal, Dust
14 07020-00000 Fitting, Grease
6
3
6
6
3
4
6
6
5
5
1
1
5
5
6
2
6
2
8
9
9
7
10
13
12
14
12
13
14
13
13
11
X
Рассчитать