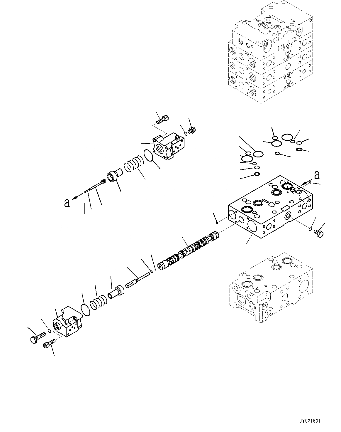
| |$0 | 723-44-13700 | Valve Assembly, Control | |
| |$1 | Body Subassembly | ||
| 1 | Block, Valve | ||
| 2 | Spool | ||
| 3 | Plug | ||
| 4 | Plug | ||
| 5 | O-ring | ||
| 6 | Ball | ||
| 7 | 723-46-15120 | Retainer | |
| 8 | 723-46-14110 | Spring | |
| 9 | 723-46-16621 | Case | |
| 10 | 706-73-71450 | Plug | |
| 11 | 723-46-16570 | Plug | |
| 12 | 07002-11423 | O-ring | |
| 13 | 07430-71380 | O-ring | |
| 14 | 01252-60840 | Bolt, Hexagon Socket Head | |
| 15 | 07000-11008 | O-ring | |
| 16 | 708-8H-11530 | Plug | |
| 17 | 07002-11423 | O-ring | |
| 18 | 723-46-17530 | O-ring | |
| 19 | 723-11-19130 | O-ring | |
| 20 | 723-46-17520 | Ring, Back-up | |
| 21 | 723-46-16520 | O-ring | |
| 22 | 723-46-17510 | O-ring | |
| 23 | 722-12-19070 | O-ring |