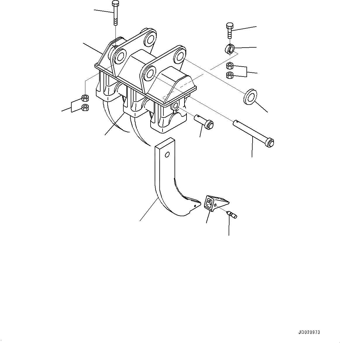
| |$0 | 205-951-0013 | Ripper Assembly | |
| 1 | Bracket | ||
| 2 | 205-951-6120 | Holder | |
| 2 | 205-951-0020 | Shank Assembly | |
| 3 | Shank | ||
| 4 | 131-78-31190 | Point | |
| 5 | 09244-02489 | Pin | |
| 6 | 205-951-6140 | Pin | |
| 7 | 205-951-6150 | Collar | |
| 8 | 01019-11205 | Bolt | |
| 9 | 01580-11210 | Nut | |
| 10 | 205-70-73270 | Pin | |
| 11 | 205-70-74410 | Collar | |
| 12 | 205-70-73190 | Bolt | |
| 13 | 01580-12016 | Nut |