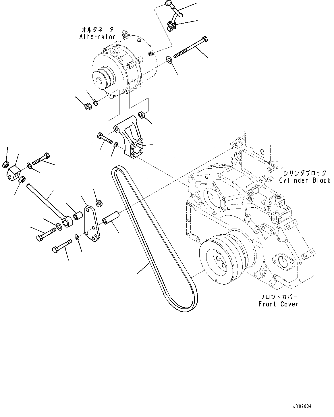
| 1 | 6128-21-6780 | Bolt | |
| 2 | 02205-10812 | Nut | |
| 3 | 01640-21323 | Washer | |
| 4 | 205-62-54561 | Spacer | |
| 5 | 421-06-53170 | Wiring Harness | |
| 6 | 08034-20536 | Band | |
| 7 | 6154-81-6411 | Bracket | |
| 8 | 01010-81060 | Bolt | |
| 9 | 01643-31032 | Washer | |
| 10 | 6150-82-8650 | Plate | |
| 11 | 01010-81095 | Bolt | |
| 12 | 01643-31032 | Washer | |
| 13 | 6211-11-9790 | Spacer | |
| 14 | 6150-82-8610 | Rod, Adjusting | |
| 15 | 6150-82-8690 | Plate | |
| 16 | 01580-11411 | Nut | |
| 17 | 6215-81-6150 | Pin | |
| 18 | 01010-81255 | Bolt | |
| 19 | 01643-31232 | Washer | |
| 20 | 01584-01210 | Nut | |
| 21 | 01050-51255 | Bolt | |
| 22 | 01643-31232 | Washer | |
| 23 | 04120-21754 | V-belt |