zakaz@zapkomat.su
8 800 777-45-32
Расчитать заявку
Каталог
Типы
Гидравлика
Крепеж
Прокладки
Соединения
Кожухи
Электрика
Справочник
Запрос сотрудничества
Сервисным организациям
Контакты
Главная
Справочник
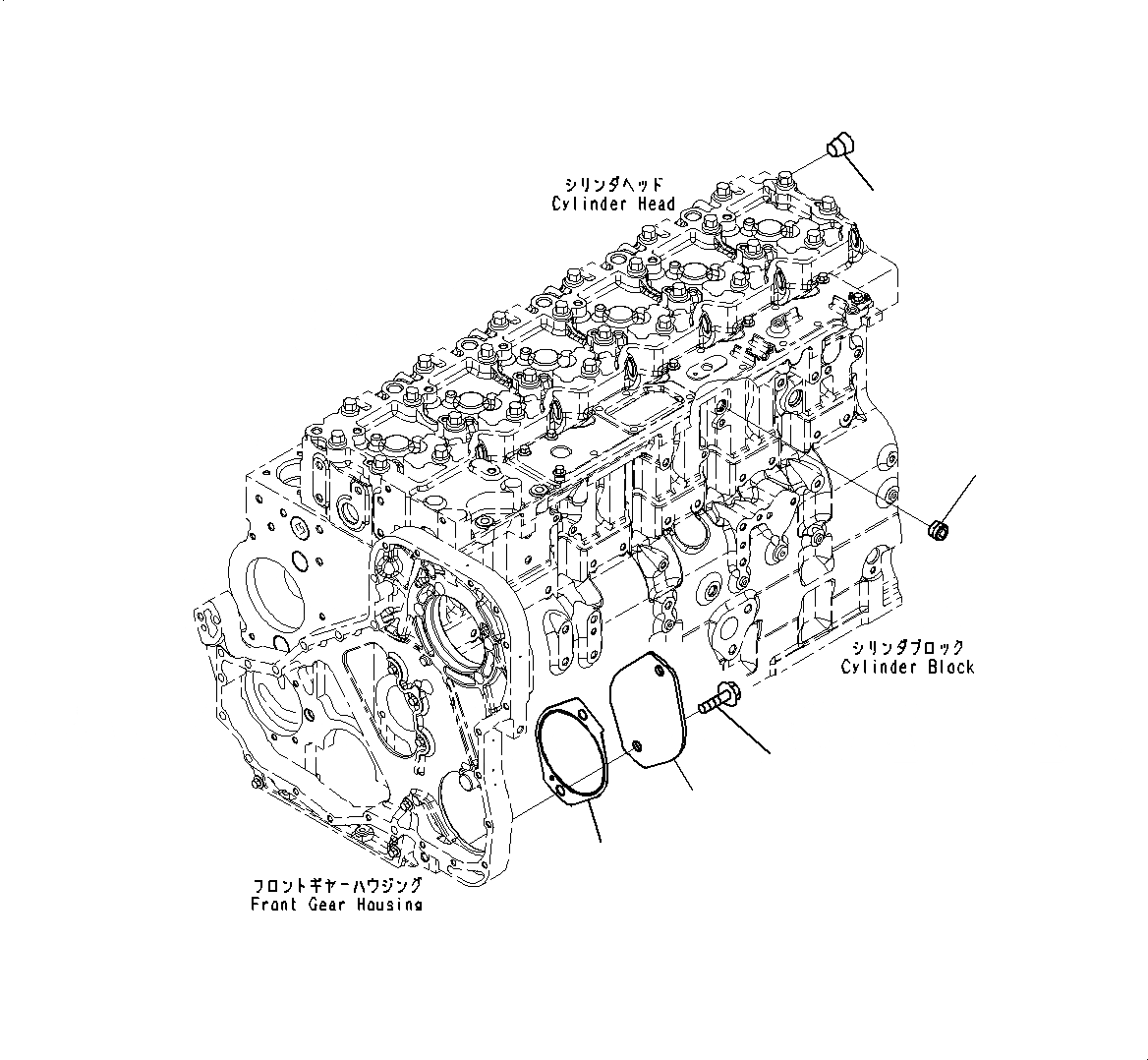
Запчасти крышка передн. зубчатой передачи (№87-) двигатели saa6d114e-3f s/n 26866736-up (for pc300-8m0/pc300lc-8m0/pc350-8m0/pc350lc-8m0) Komatsu
1
6732-11-1910
Plug
2
6732-11-1920
Plug
3
6741-21-3320
Plate
4
6732-51-5130
Bolt
5
6741-21-3330
Gasket
4
5
3
2
1
X
Рассчитать
Ваше имя:
Телефон *:
E-mail:
Сообщение: Пришлите наличие и стоимость
Оформить заказ