zakaz@zapkomat.su
8 800 777-45-32
Расчитать заявку
Каталог
Типы
Гидравлика
Крепеж
Прокладки
Соединения
Кожухи
Электрика
Справочник
Запрос сотрудничества
Сервисным организациям
Контакты
Главная
Справочник
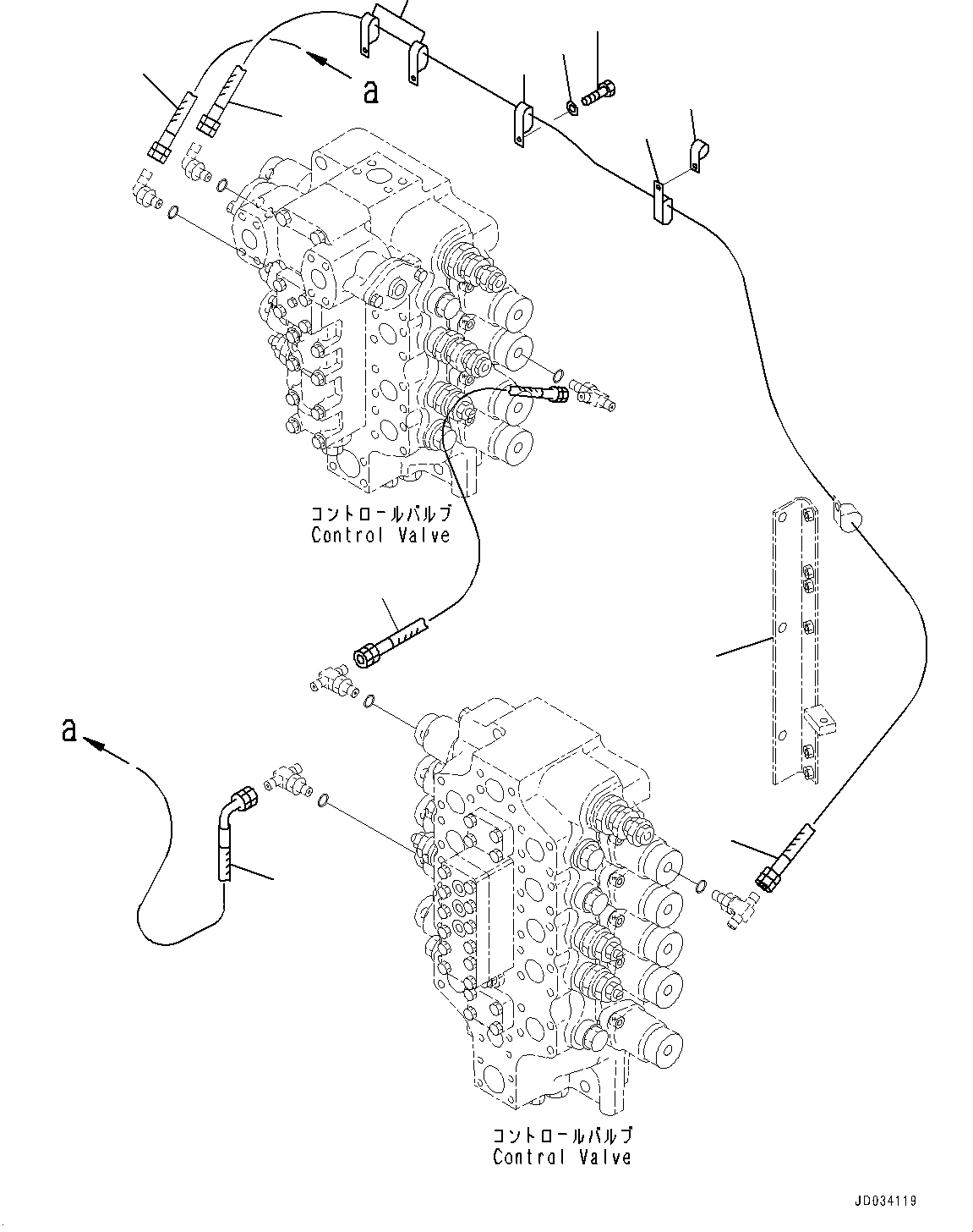
Запчасти пропорциональн. pressure управл-е (ppc) стрела и ковш трубы (№7-) экскаваторы pc800lc-8r1 s/n 70001-up Komatsu
1
02760-00317
Hose
2
02761-00314
Hose, Face Seal Type
3
02760-003A3
Hose, Face Seal Type
4
04435-51512
Clip
5
01010-81225
Bolt
6
01643-31232
Washer
7
04434-51512
Clip
8
209-64-16822
Bracket
|$8
209-64-16822
Bracket
3
2
1
1
2
5
4
6
4
4
7
8
X
Рассчитать
Ваше имя:
Телефон *:
E-mail:
Сообщение: Пришлите наличие и стоимость
Оформить заказ