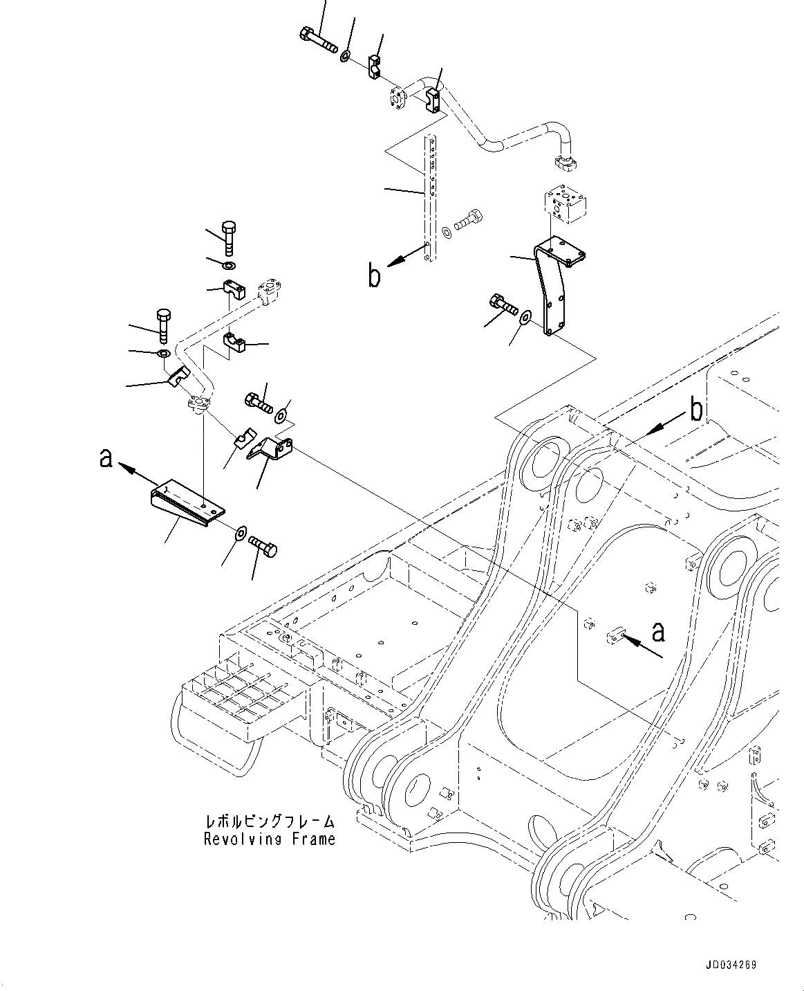
Запчасти гидравл drift preвентиляторion клапан трубы, основная рама (№7-) экскаваторы pc800-8r1 s/n 70001-up Komatsu



1 209-64-12760 Bracket
2 01010-81230 Bolt
3 175-54-34170 Washer
4 209-62-58750 Clamp
5 01011-81200 Bolt
6 01643-31232 Washer
7 209-64-12310 Bracket
8 01010-81230 Bolt
9 175-54-34170 Washer
10 209-62-58750 Clamp
11 01011-81200 Bolt
12 01643-31232 Washer
13 209-62-43370 Bracket
14 01010-81235 Bolt
15 175-54-34170 Washer
16 01010-81295 Bolt
17 01643-31232 Washer
18 209-62-58750 Clamp
19 209-62-43350 Bracket
7
10
10
11
12
13
14
15
16
17
18
8
9
3
2
4
5
1
6
4
18
19
X
Рассчитать