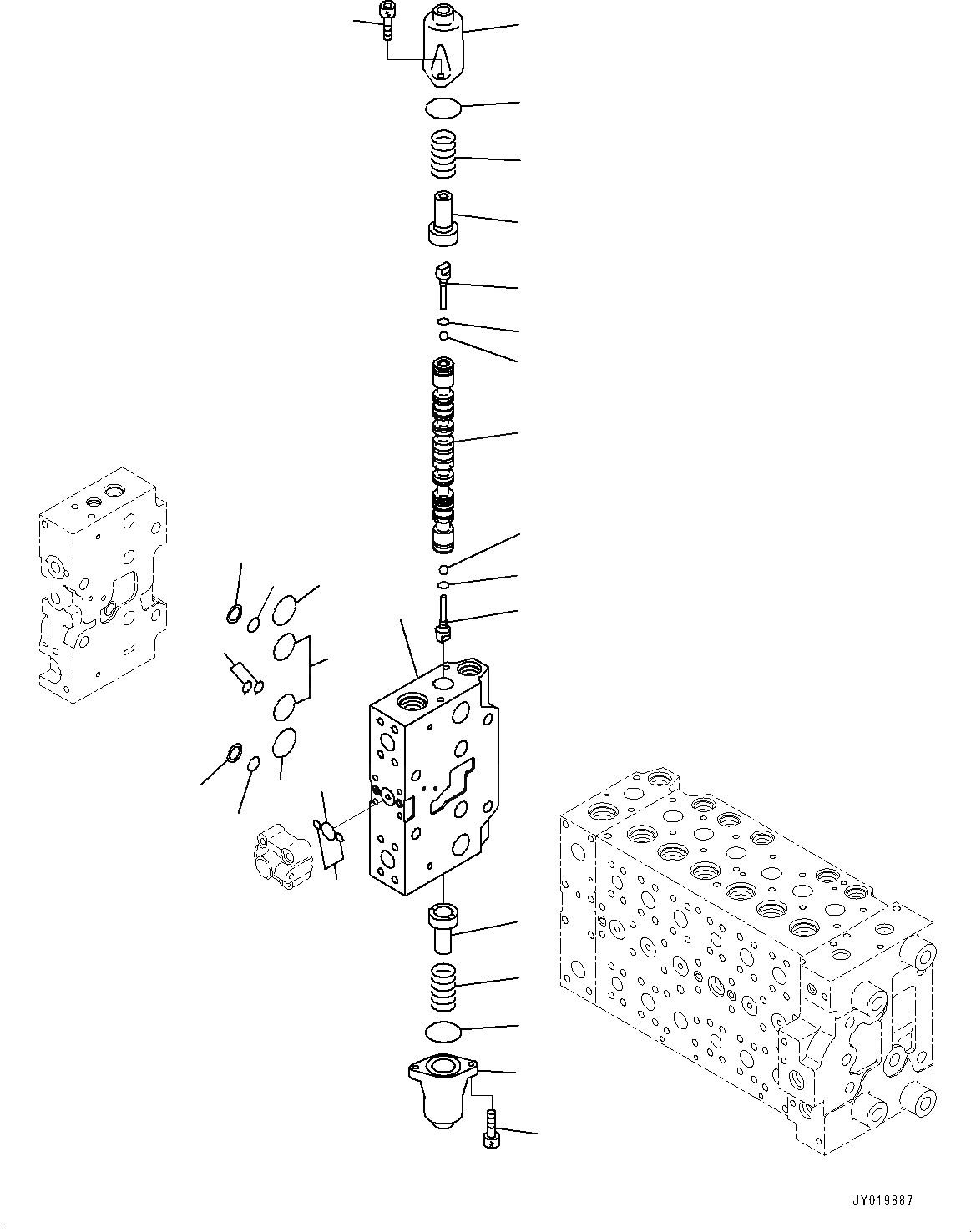
| |$0 | 723-48-25600 | Valve, Control | |
| |$1 | Body Subassembly | ||
| 1 | Block, Valve | ||
| 2 | Spool | ||
| 3 | 723-46-15130 | Plug | |
| 4 | 07002-10823 | O-ring | |
| 5 | 708-7T-16460 | Ball | |
| 6 | 723-46-15120 | Retainer | |
| 7 | 723-46-14110 | Spring | |
| 8 | 723-46-15111 | Case | |
| 9 | 07430-71380 | O-ring | |
| 10 | 01252-60820 | Bolt, Hexagon Socket Head | |
| 11 | 07000-11009 | O-ring | |
| 12 | 07000-12021 | O-ring | |
| 13 | 723-46-17530 | O-ring | |
| 14 | 723-11-19130 | O-ring | |
| 15 | 723-46-17520 | Ring, Back-up | |
| 16 | 07000-13032 | O-ring | |
| 17 | 723-46-17510 | O-ring |