zakaz@zapkomat.su
8 800 777-45-32
Расчитать заявку
Каталог
Типы
Гидравлика
Крепеж
Прокладки
Соединения
Кожухи
Электрика
Справочник
Запрос сотрудничества
Сервисным организациям
Контакты
Главная
Справочник
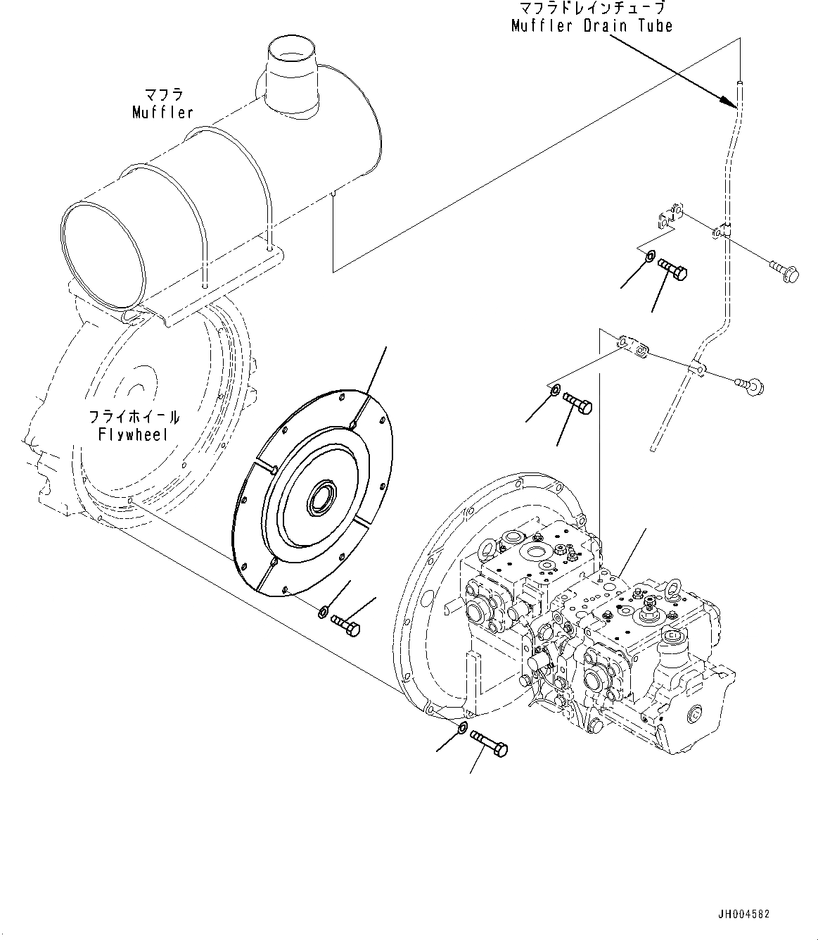
Запчасти демпфер (№8-) экскаваторы pc350-8m0 s/n 80001-up Komatsu
1
207-01-71310
Disc
2
01010-81225
Bolt
3
01643-31232
Washer
4
01010-81240
Bolt
5
01643-31232
Washer
6
01010-81245
Bolt
7
01643-31232
Washer
8
708-2G-00180
Pump Assembly
1
3
2
5
4
8
7
6
7
6
X
Рассчитать
Ваше имя:
Телефон *:
E-mail:
Сообщение: Пришлите наличие и стоимость
Оформить заказ