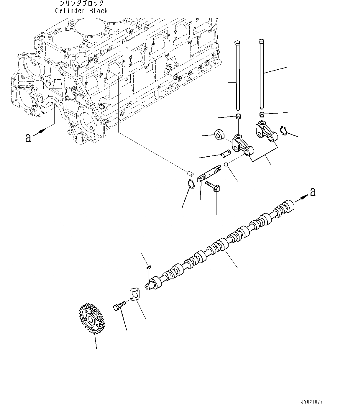
Запчасти распредвал, распредвал (№7-) двигатели saa6d125e-6a s/n 760002-up (for pc400-10/pc490lc-10) Komatsu



|$0 6150-41-1012 Camshaft Assembly
1 Camshaft
2 6150-41-1130 Plate, Thrust
3 6150-41-1120 Gear, Camshaft
4 04010-00725 Key, Woodruff
5 01010-81022 Bolt
|$6 6150-41-2302 Lever Assembly
6 Lever
7 Socket
8 Roller
9 Pin
9 6150-41-2401 Shaft Assembly
10 Shaft
11 6150-81-8420 Ball
12 04064-02012 Ring, Snap
13 6150-41-2450 Bolt
14 6150-41-3111 Rod, Push
14
14
12
13
12
11
10
9
8
7
7
6
5
4
3
2
1
X
Рассчитать