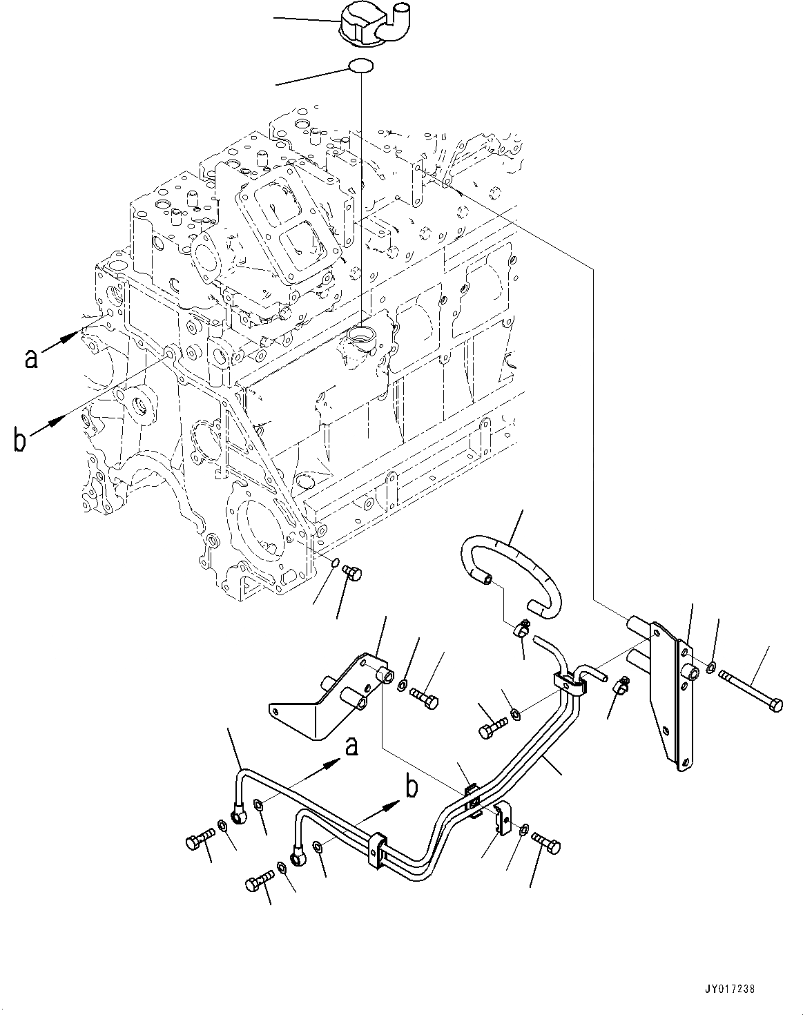
Запчасти komatsu закрыт.d crankкорпус вентиляторilation (kccv), компоненты (№7-7) двигатели saa6d125e-6a s/n 760002-up (for pc400-10/pc490lc-10) Komatsu



1 6150-25-6710 Breather
2 6114-21-5190 O-ring
3 6252-21-7360 Bracket
4 01011-81035 Bolt
5 01643-31032 Washer
6 6110-53-5910 Plug
7 07005-01412 Seal, Washer
8 6252-21-7330 Tube
9 6252-21-7340 Tube
10 07206-31014 Bolt, Joint
11 07005-01412 Seal, Washer
12 6252-21-7370 Bracket
13 01010-81080 Bolt
14 01643-31032 Washer
15 6166-75-6821 Clamp, half
16 01010-80835 Bolt
17 01643-30823 Washer
18 07260-20940 Hose
19 07281-00197 Clamp
1
2
3
4
5
8
9
10
11
12
13
14
15
16
17
18
19
11
10
11
11
15
19
16
17
6
7
X
Рассчитать