zakaz@zapkomat.su
8 800 777-45-32
Расчитать заявку
Каталог
Типы
Гидравлика
Крепеж
Прокладки
Соединения
Кожухи
Электрика
Справочник
Запрос сотрудничества
Сервисным организациям
Контакты
Главная
Справочник
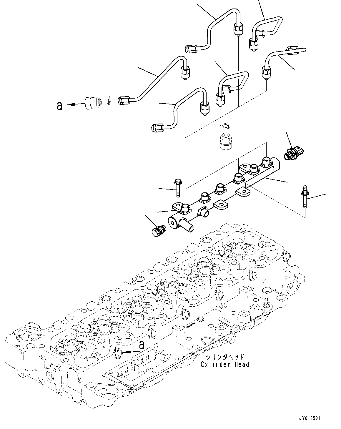
Запчасти части perдляmance, common rail (№-) двигатели saa6d107e-2a s/n 26600001-up (for pc240lc-10) Komatsu
1
6755-71-1210
Common Rail Assembly
2
6755-71-1410
Valve
3
6755-71-1420
Sensor
4
6733-11-4150
Bolt
5
6755-71-1220
Screw
6
6755-71-5210
Tube, No.1
7
6755-71-5220
Tube, No.2,3
8
6755-71-5230
Tube, No.4,5
9
6755-71-5240
Tube, No.6
10
6754-71-1991
Decal
1
4
5
6
7
8
9
10
7
8
3
2
X
Рассчитать
Ваше имя:
Телефон *:
E-mail:
Сообщение: Пришлите наличие и стоимость
Оформить заказ