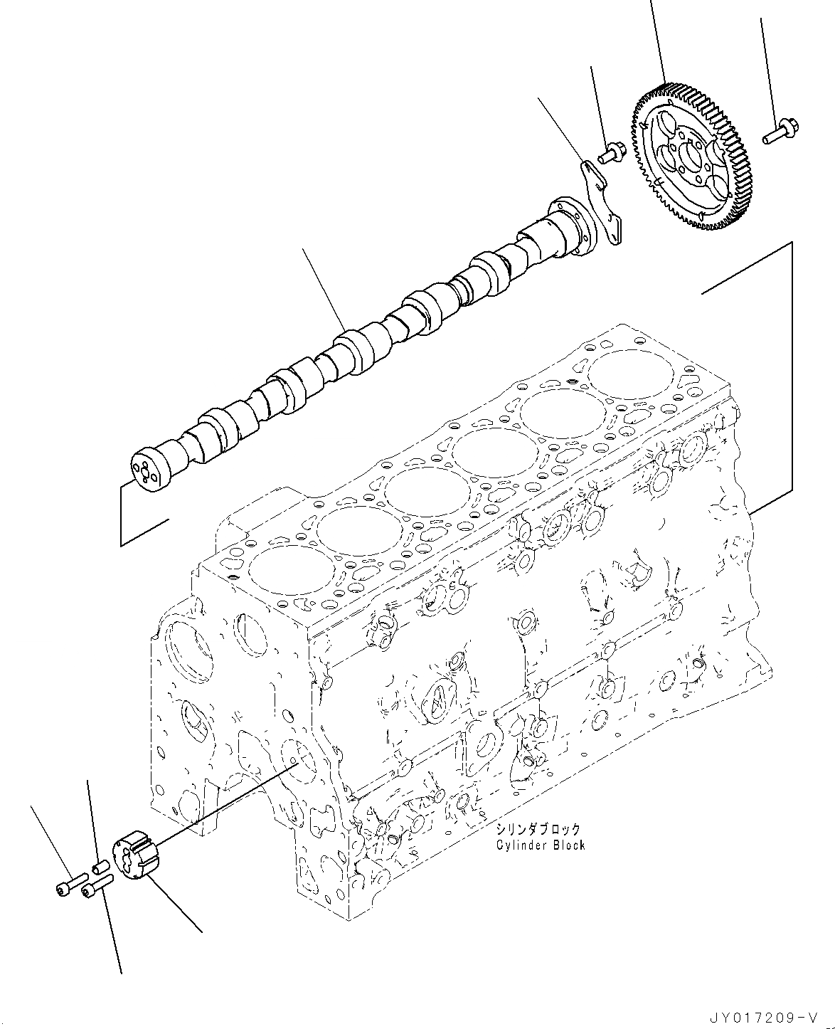
Запчасти части perдляmance, распредвал (№-) двигатели saa6d107e-2a s/n 26600001-up (for pc240lc-10) Komatsu



|$0 6754-41-1100 Camshaft Assembly
|$1 6754-41-1170 Camshaft Assembly
1 Camshaft
2 6754-41-1120 Ring. Dowel
3 6754-41-1130 Bolt
4 6754-41-1141 Ring
4 6754-41-1140 Ring
5 6754-41-1161 Support
6 01435-60816 Bolt
6 6736-21-5310 Bolt
7 6754-41-1150 Gear
8 01435-00825 Bolt
1
4
3
3
2
7
8
5
6
X
Рассчитать