zakaz@zapkomat.su
8 800 777-45-32
Расчитать заявку
Каталог
Типы
Гидравлика
Крепеж
Прокладки
Соединения
Кожухи
Электрика
Справочник
Запрос сотрудничества
Сервисным организациям
Контакты
Главная
Справочник
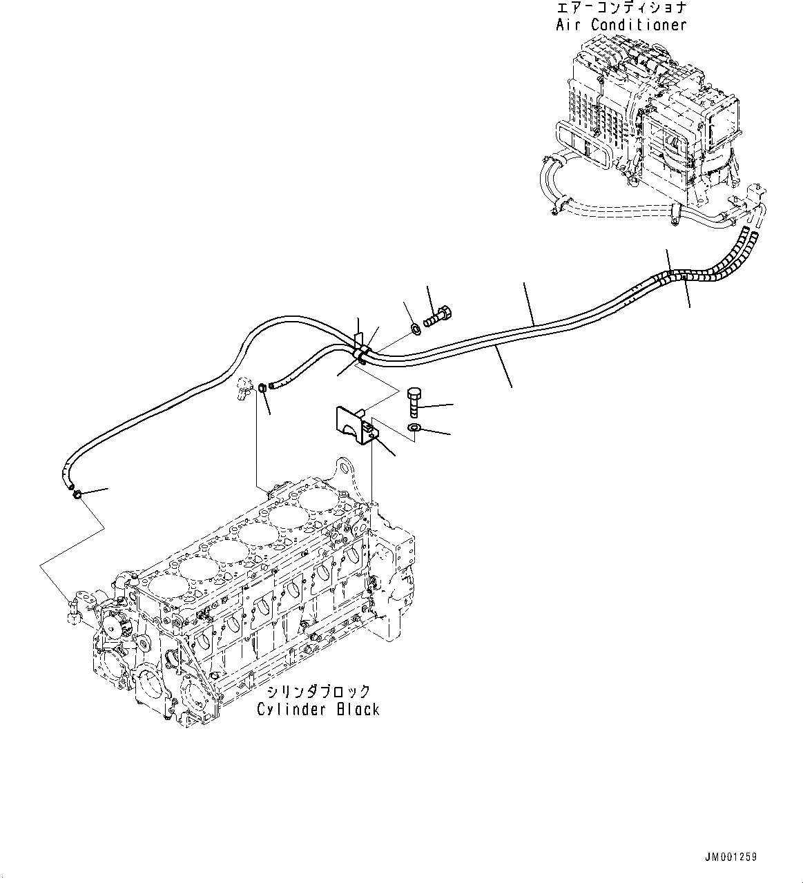
Запчасти компоненты двигателя, гидр. провод. обогревателя (№-) самосвалы hm300-3 s/n 3001-up Komatsu
1
09483-10423
Hose
2
09483-10434
Hose
3
11Y-09-11160
Clip
4
08210-01805
Tube, Spiral
5
56D-61-34160
Bracket
6
01010-81230
Bolt
7
01643-31232
Washer
8
04434-52711
Clip
9
07095-20420
Cushion
10
01010-81020
Bolt
11
01643-31032
Washer
1
2
3
10
4
7
5
6
11
3
4
8
9
8
X
Рассчитать
Ваше имя:
Телефон *:
E-mail:
Сообщение: Пришлите наличие и стоимость
Оформить заказ