zakaz@zapkomat.su
8 800 777-45-32
Расчитать заявку
Каталог
Типы
Гидравлика
Крепеж
Прокладки
Соединения
Кожухи
Электрика
Справочник
Запрос сотрудничества
Сервисным организациям
Контакты
Главная
Справочник
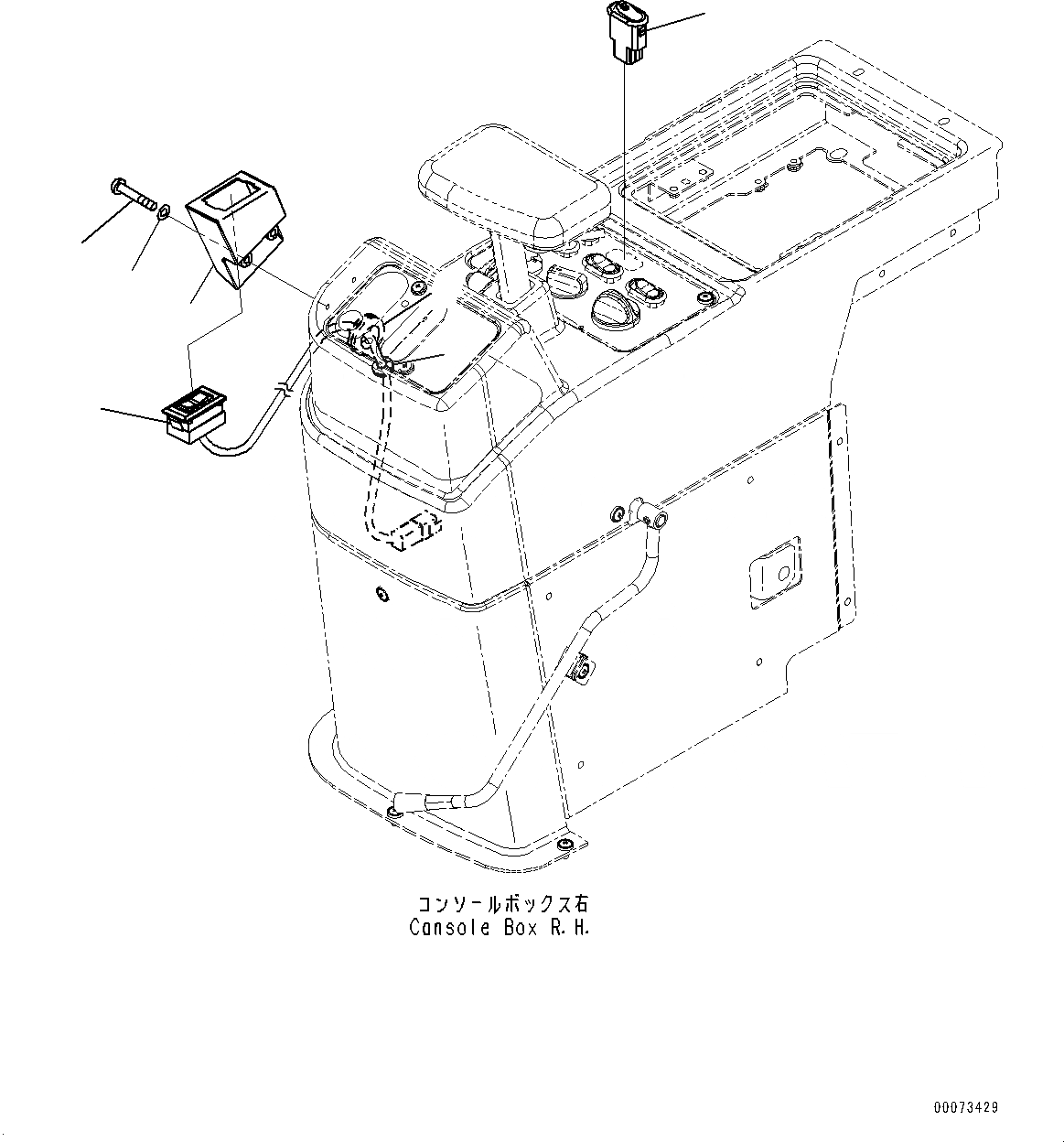
Запчасти управление погрузкой блок, переключатель (№789-) погрузчики колесные wa250pz-6 s/n 75896-up (for kal (chassis only)) Komatsu
1
421-06-31121
Switch, FNR Selector
2
418-877-3230
Bracket
3
01225-70645
Screw, Philips Head
4
418-926-3490
Washer
5
417-06-12560
Grommet
6
08037-02512
Grommet
7
423-06-45480
Switch, FNR Selector
4
3
2
1
7
6
5
X
Рассчитать
Ваше имя:
Телефон *:
E-mail:
Сообщение: Пришлите наличие и стоимость
Оформить заказ