- Главная
- Справочник
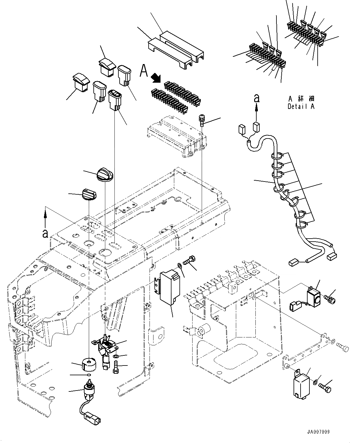
Запчасти управление погрузкой блок, электрич. части (№789-) погрузчики колесные wa250pz-6 s/n 75896-up (for kal (chassis only)) Komatsu
|
|
1 |
08041-01000 |
Fuse, 10Amp.
|
|
|
2 |
08041-01500 |
Fuse, 15Amp.
|
|
|
3 |
08041-02000 |
Fuse, 20Amp.
|
|
|
4 |
08041-03000 |
Fuse, 30Amp.
|
|
|
5 |
283-06-16120 |
Cover, Fuse Box 15Pole
|
|
|
6 |
08041-00500 |
Fuse, 5Amp.
|
|
|
7 |
08041-01000 |
Fuse, 10Amp.
|
|
|
8 |
08041-02000 |
Fuse, 20Amp.
|
|
|
9 |
283-06-16120 |
Cover, Fuse Box 15Pole
|
|
|
10 |
01023-70520 |
Screw
|
|
|
11 |
421-06-26220 |
Relay
|
|
|
12 |
01010-80612 |
Bolt
|
|
|
13 |
01643-30623 |
Washer
|
|
|
14 |
23S-05-35320 |
Buzzer
|
|
|
15 |
01023-70412 |
Screw
|
|
|
16 |
421-06-36232 |
Switch
|
|
|
17 |
421-06-36241 |
Knob
|
|
|
18 |
416-06-22250 |
Flasher
|
|
|
19 |
01010-80616 |
Bolt
|
|
|
20 |
01643-30623 |
Washer
|
|
|
21 |
426-06-33530 |
Switch, Traction Control
|
|
|
22 |
20Y-06-42190 |
Cover
|
|
|
23 |
418-T80-4130 |
Switch, Multi-coupler, Fork
|
|
|
24 |
418-T80-4111 |
Switch, Bucket-Fork
|
|
|
25 |
22U-06-22420 |
Potentiometer Assembly
|
|
|
26 |
22U-06-22470 |
Knob
|
|
|
27 |
01010-80612 |
Bolt
|
|
|
28 |
01643-30623 |
Washer
|
|
|
29 |
20Y-06-42190 |
Cover
|
|
|
30 |
418-U77-4453 |
Wiring Harness
|
|
|
31 |
134-03-61410 |
Band
|
|
|
32 |
416-54-32770 |
Cover
|
|
|
33 |
416-54-32790 |
O-ring
|
4
3
2
1
7
6
8
8
6
8
7
6
1
1
3
3
1
8
7
2
4
1
2
23
5
9
10
11
12
13
16
17
21
25
26
27
28
24
31
30
29
22
33
32
18
15
14
19
20