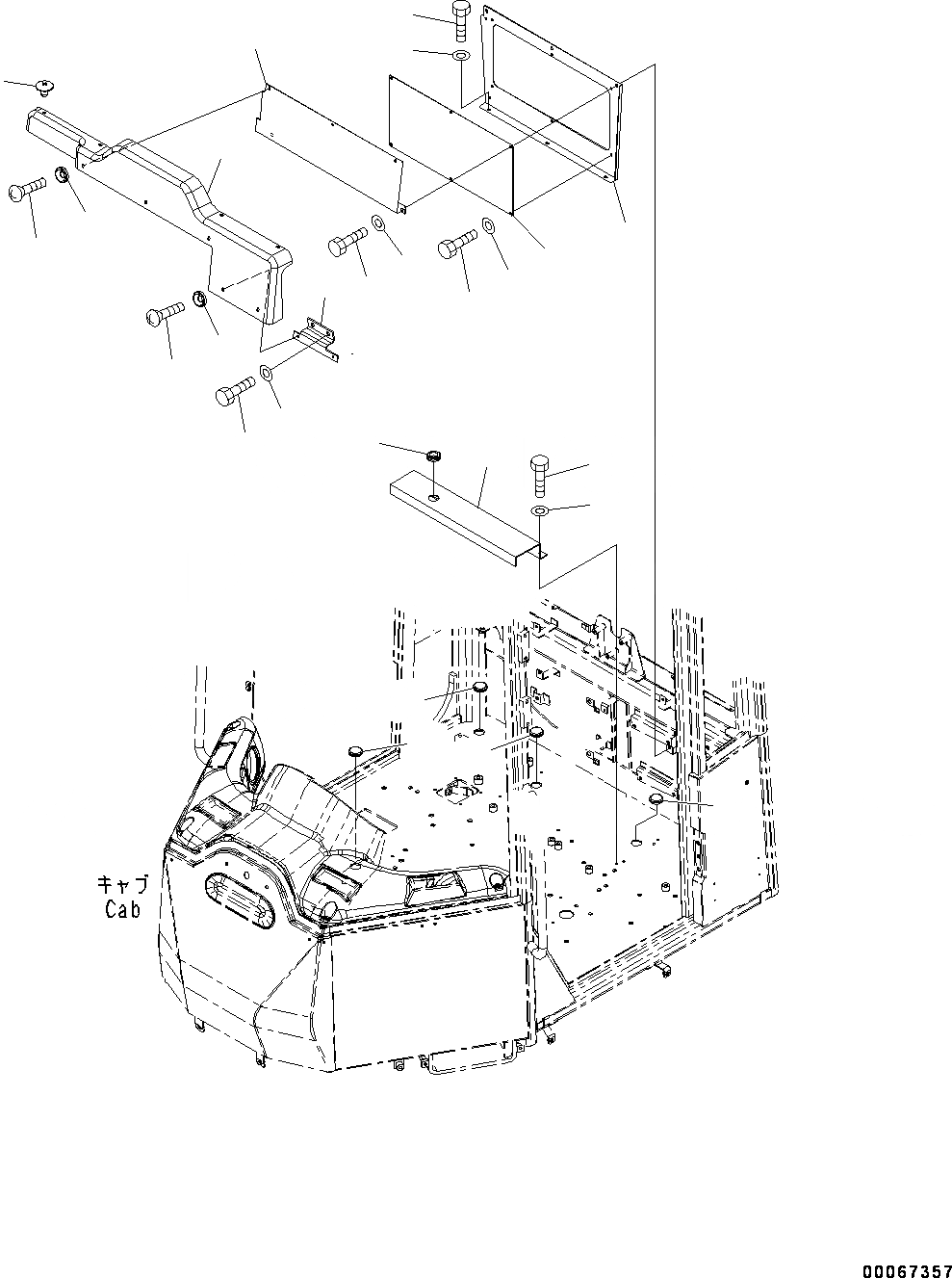
Запчасти кабина rops и основн. конструкция группа, кабина in части, задн. крышка (№7-) погрузчики колесные wa200pz-6 s/n 71023-up (for kal (chassis only)) Komatsu



1 418-54-42160 Cover
2 01010-D0616 Bolt
3 01643-70623 Washer
4 418-54-42210 Cover
5 01010-D0616 Bolt
6 01643-70623 Washer
7 08037-02512 Grommet
8 418-54-32725 Cover
9 01225-70616 Screw, Philips Head
10 418-926-3490 Washer
11 23D-950-4450 Button
12 418-54-42190 Cover
13 01010-D0616 Bolt
14 01643-70623 Washer
15 418-54-42220 Plate
16 01010-D0616 Bolt
17 01643-70623 Washer
18 418-54-42230 Bracket
19 01010-81020 Bolt
20 01643-31032 Washer
21 09415-02512 Cap
21
21
21
21
17
16
15
14
13
12
3
2
1
10
9
20
19
18
11
10
9
8
7
6
5
4
X
Рассчитать