zakaz@zapkomat.su
8 800 777-45-32
Расчитать заявку
Каталог
Типы
Гидравлика
Крепеж
Прокладки
Соединения
Кожухи
Электрика
Справочник
Запрос сотрудничества
Сервисным организациям
Контакты
Главная
Справочник
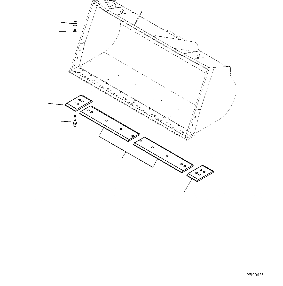
Запчасти режущ. кромка на болтах (№9-) погрузчики колесные wa470-6a s/n 90216-up (for north america) Komatsu
1
421-815-3210
Edge,Center
2
421-815-3220
Edge,Side
3
02090-11485
Bolt
4
02290-11422
Nut
5
01643-32260
Washer
1
2
3
4
5
2
X
Рассчитать
Ваше имя:
Телефон *:
E-mail:
Сообщение: Пришлите наличие и стоимость
Оформить заказ