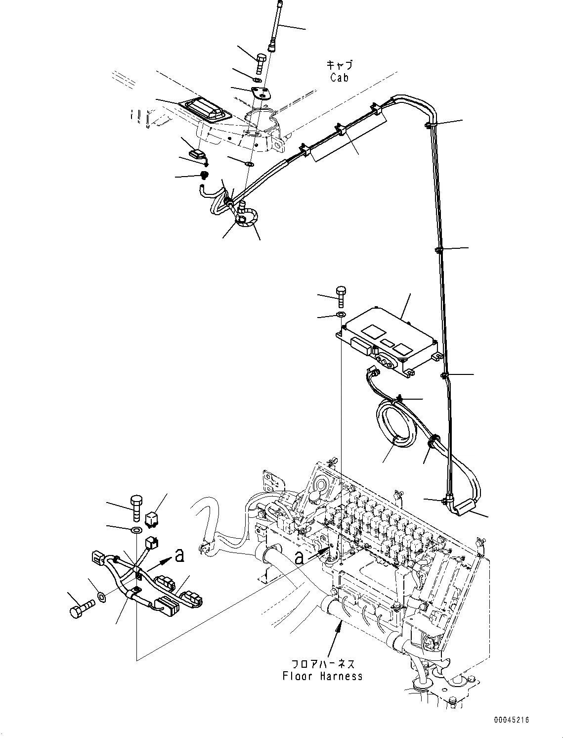
| 1 | 423-06-45312 | Antenna Assembly | |
| 1 | 423-06-45311 | Antenna Assembly | |
| 2 | 08037-10610 | Grommet | |
| 3 | 08055-00060 | Connector | |
| 4 | 423-06-45332 | Cable Assembly | |
| 5 | 08037-10610 | Grommet | |
| 6 | 8A13-10-2100 | Antenna | |
| 7 | 01640-21626 | Washer, Flat | |
| 8 | 175-06-81610 | Grommet | |
| 9 | 08034-40521 | Band | |
| 10 | 08034-20519 | Band | |
| 11 | 08059-00515 | Clip | |
| 12 | 423-925-4980 | Duct | |
| 13 | 08037-02512 | Grommet | |
| 14 | 425-926-3921 | Cover | |
| 15 | 426-06-32791 | Plate | |
| 16 | 01010-81020 | Bolt | |
| 17 | 01643-31032 | Washer | |
| 18 | 7826-20-7038 | Controller, KOMTRAX | |
| 18 | 7826-20-7037 | Controller | |
| 18 | 7826-20-7035 | Controller, TC301 | |
| 19 | 01010-80825 | Bolt | |
| 20 | 01643-30823 | Washer | |
| 21 | 423-06-45343 | Wiring Harness | |
| 21 | 423-06-45342 | Wiring Harness | |
| 22 | 04434-51410 | Clip | |
| 23 | 01010-81020 | Bolt | |
| 24 | 01643-31032 | Washer | |
| 25 | 569-06-61960 | Relay | |
| 26 | 04434-51010 | Clip | |
| 27 | 01010-81016 | Bolt | |
| 28 | 01643-31032 | Washer |