zakaz@zapkomat.su
8 800 777-45-32
Расчитать заявку
Каталог
Типы
Гидравлика
Крепеж
Прокладки
Соединения
Кожухи
Электрика
Справочник
Запрос сотрудничества
Сервисным организациям
Контакты
Главная
Справочник
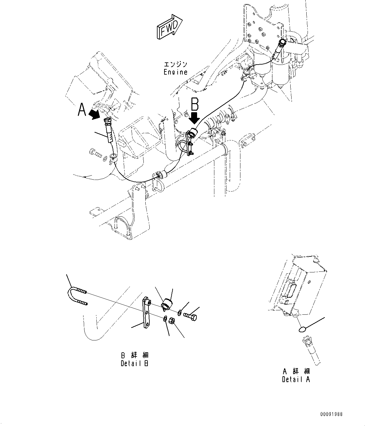
Запчасти компоненты двигателя, охлажд-е пластина - водоотделитель прав. (№89-) самосвалы hd785-7 s/n 8393-up (-40 deg c spec.) Komatsu
1
02762-00619
Hose, Face Seal Type
2
02896-61018
O-ring
3
561-04-82251
Plate
4
07283-36155
Clip
5
01643-31032
Washer
6
01597-01009
Nut
7
04434-53412
Clip
8
07095-30627
Cushion
9
01010-81220
Bolt
10
01643-31232
Washer
1
3
4
5
6
7
8
9
10
2
X
Рассчитать
Ваше имя:
Телефон *:
E-mail:
Сообщение: Пришлите наличие и стоимость
Оформить заказ