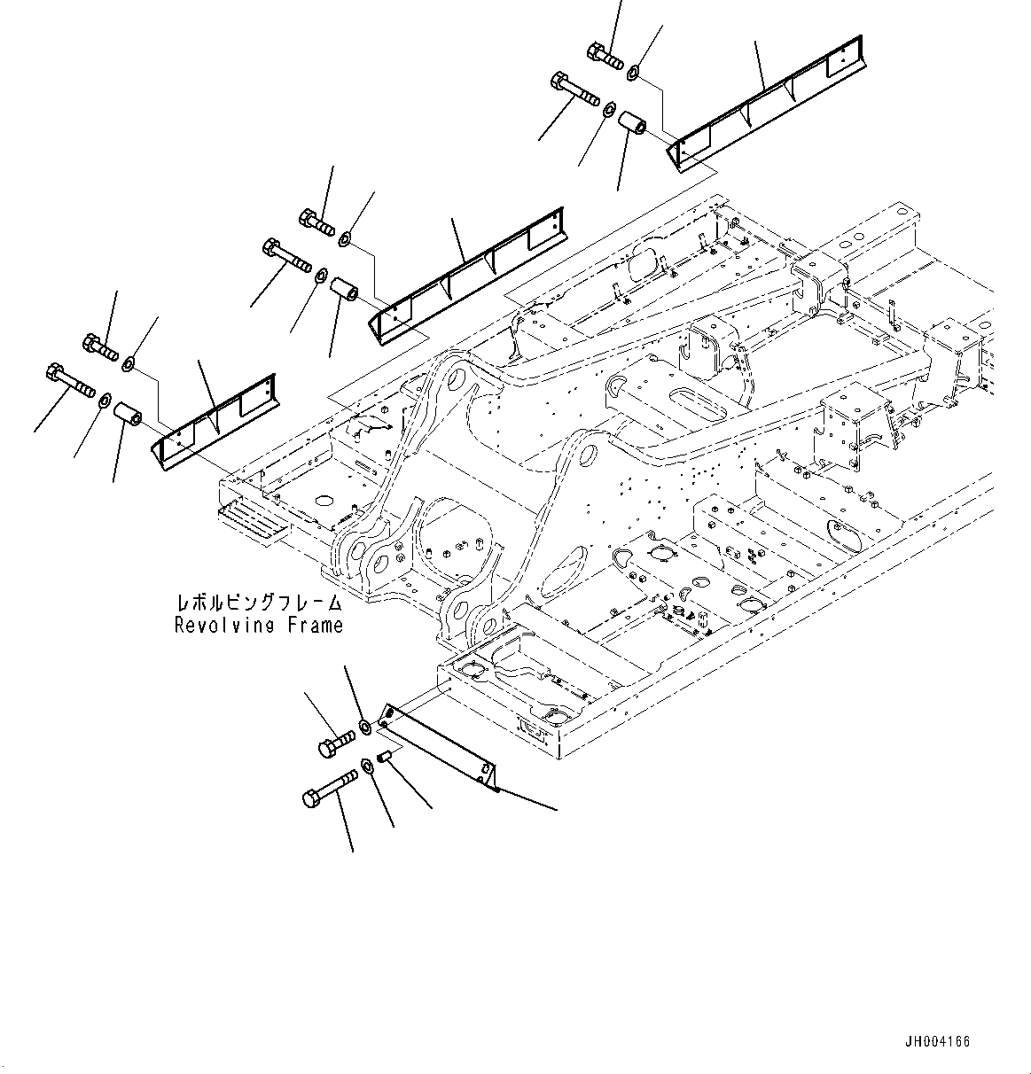
Запчасти основная рама защита нижней части, дополн. фронтальная защита (№-) экскаваторы pc700lc-8e0 s/n 65001-up Komatsu



1 21M-46-15410 Deck Guard
2 21M-46-15420 Deck Guard
3 21M-46-15430 Deck Guard
4 205-03-71331 Collar
5 01010-81280 Bolt
6 01643-31232 Washer
7 01010-81235 Bolt
8 01643-31232 Washer
9 21M-46-32940 Deck Guard
10 205-03-71331 Collar
11 01010-81280 Bolt
12 01643-31232 Washer
13 01010-81235 Bolt
14 01643-31232 Washer
1
2
3
4
5
6
7
8
8
7
6
5
4
7
4
6
5
8
11
12
10
9
13
14
X
Рассчитать