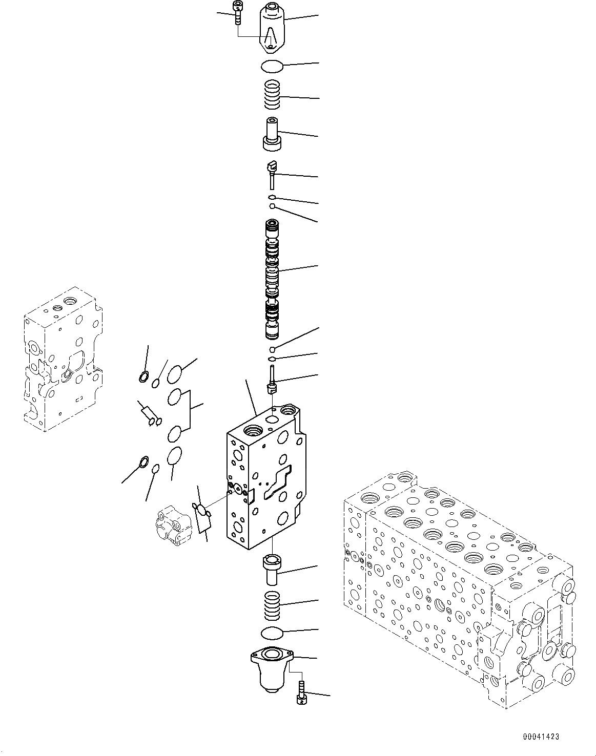
Запчасти управляющ. клапан, внутр. части (/) (№-) экскаваторы pc200lc-8 s/n 315646-up Komatsu



|$0 723-48-23102 Valve Assembly
|$1 Body Subassembly
1 Block, Valve
2 Spool
3 723-46-15130 Plug
4 07002-10823 O-ring
5 708-7T-16460 Ball
6 723-46-15120 Retainer
7 723-46-14110 Spring
8 723-46-15111 Case
9 07430-71380 O-ring
10 01252-60820 Bolt, Hexagon Socket Head
11 07000-11009 O-ring
12 07000-12021 O-ring
13 723-11-19130 O-ring
14 07000-13032 O-ring
15 723-46-17510 O-ring
16 723-46-17520 Ring, Back-up
17 723-46-17530 O-ring
11
12
1
5
4
3
10
3
4
5
2
15
14
15
17
13
10
8
9
7
6
6
7
9
8
13
16
16
X
Рассчитать