zakaz@zapkomat.su
8 800 777-45-32
Расчитать заявку
Каталог
Типы
Гидравлика
Крепеж
Прокладки
Соединения
Кожухи
Электрика
Справочник
Запрос сотрудничества
Сервисным организациям
Контакты
Главная
Справочник
Запчасти ступени (№-) экскаваторы pc200-8 s/n 315646-up Komatsu
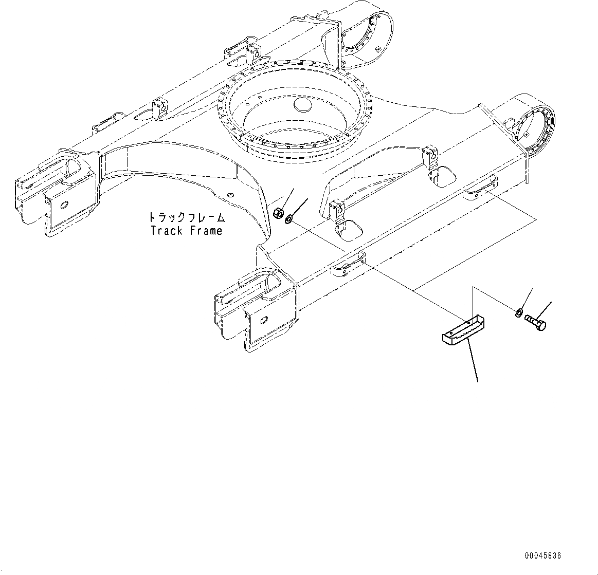
1
20Y-30-41160
Step
2
01010-81660
Bolt
3
01643-31645
Washer
4
01580-11613
Nut
2
3
1
3
4
X
Рассчитать
Ваше имя:
Телефон *:
E-mail:
Сообщение: Пришлите наличие и стоимость
Оформить заказ