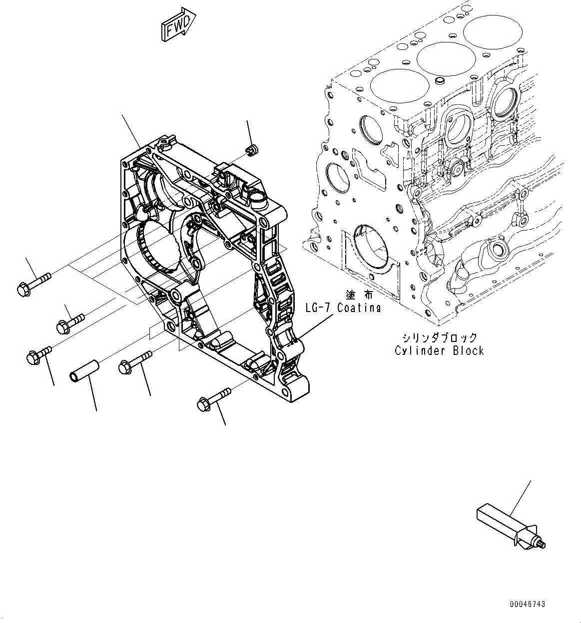
Запчасти задн. кожух шестерен. передачи (№-) двигатели saa6d107e-1c s/n 26542663-up (for pc220-8/pc220lc-8) Komatsu



|$0 6754-21-3103 Housing Assembly,Rear Gear
|$1 6754-21-3102 Housing Assembly
1 Housing,Rear Gear
1 Housing
2 6754-21-3120 Pin
3 6754-21-3150 Insert
4 6735-61-2120 Bolt
5 01435-61030 Bolt
5 6735-61-3810 Bolt
6 6732-11-1720 Bolt
7 6754-21-3140 Bolt
8 09920-00150 Liquid gasket, LG-7, 150G
7
8
7
6
5
4
3
2
1
X
Рассчитать