Запчасти механизм поворота и мотор, соединительн. части (№7-) экскаваторы pc30mr-3 s/n 32725-up (eu spec.) Komatsu



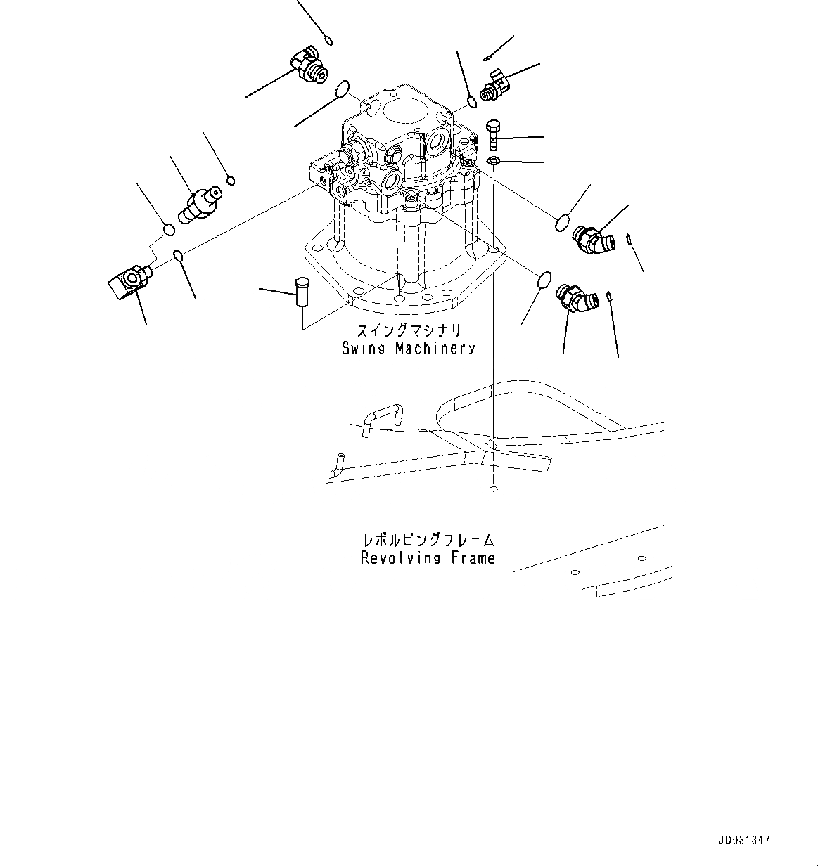
|$0 22L-26-21003 Swing Machinery Assembly
1 02782-10315 Elbow
2 02783-10315 Elbow
3 02782-10210 Elbow
4 22L-62-24770 Elbow
5 21W-62-43930 Nipple
6 07002-11423 O-ring
7 07002-12034 O-ring
8 07002-11423 O-ring
9 02896-11009 O-ring
10 02896-11008 O-ring
11 20P-26-71110 Pin, Dowel
12 01010-81235 Bolt
13 01643-31232 Washer
9
7
2
9
9
2
7
13
12
3
10
8
7
1
11
10
6
8
4
5
X
Рассчитать