zakaz@zapkomat.su
8 800 777-45-32
Расчитать заявку
Каталог
Типы
Гидравлика
Крепеж
Прокладки
Соединения
Кожухи
Электрика
Справочник
Запрос сотрудничества
Сервисным организациям
Контакты
Главная
Справочник
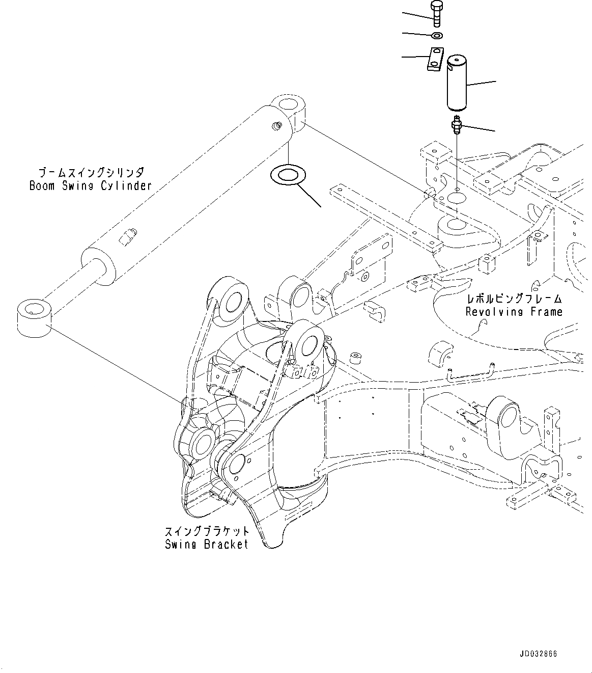
Запчасти цилиндр поворота стрелы, палец (№9-) экскаваторы pc27mr-3 s/n 20509-up Komatsu
1
22L-70-21442
Pin
2
07020-00000
Fitting, Grease
3
04082-00212
Lock
4
01010-81225
Bolt
5
01643-31232
Washer
6
21U-70-11740
Spacer, T=1.0mm
6
22F-70-31290
Spacer, T=0.5mm
4
5
3
1
6
2
X
Рассчитать
Ваше имя:
Телефон *:
E-mail:
Сообщение: Пришлите наличие и стоимость
Оформить заказ