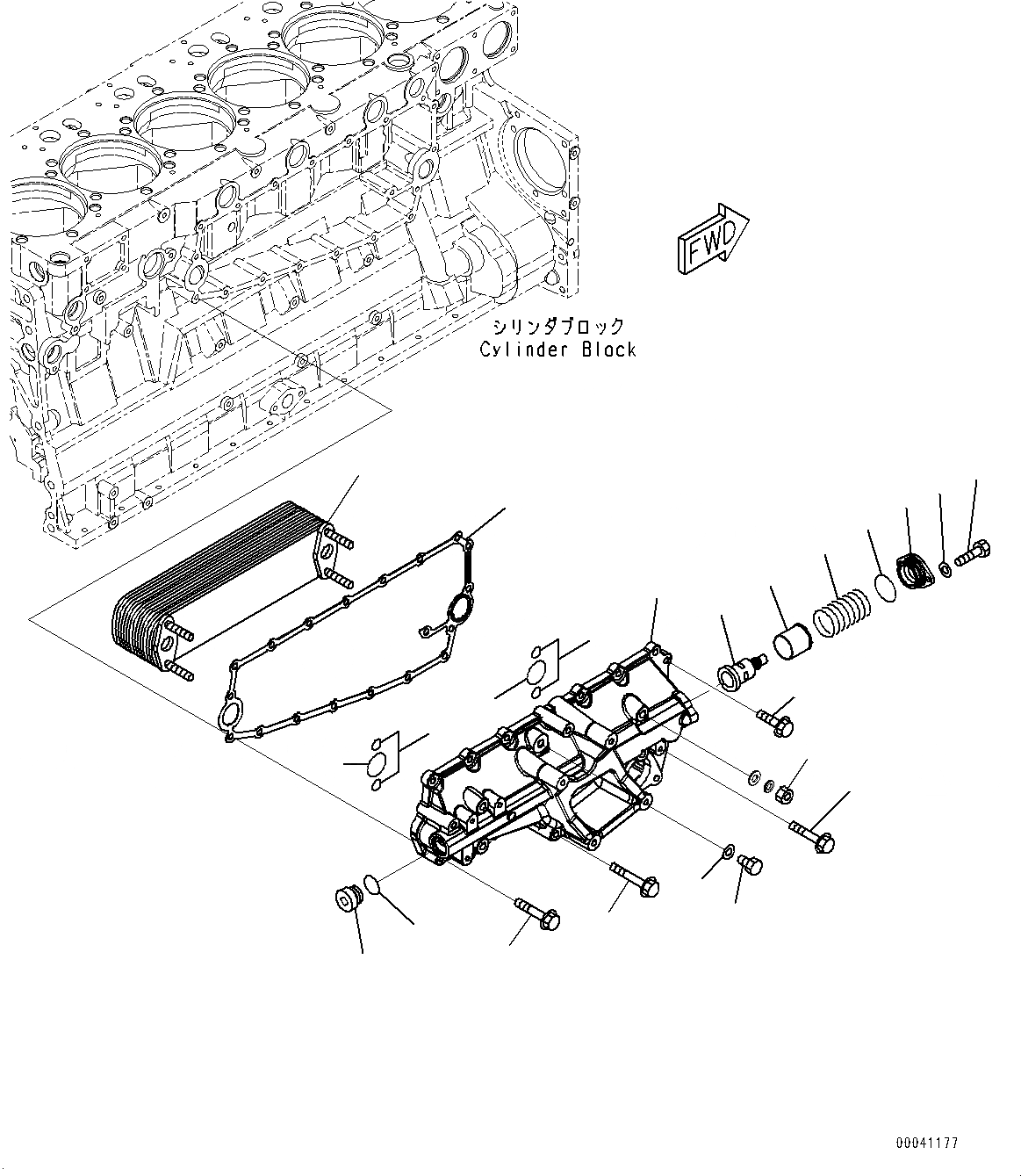
| 1 | 6261-61-2110 | Element, Oil Cooler | |
| 2 | 6261-61-2120 | Cover | |
| 3 | 6210-61-2520 | O-ring | |
| 4 | 07000-A2016 | O-ring | |
| 5 | 6215-61-2580 | Nut | |
| 6 | 6210-61-2130 | Cover | |
| 7 | 07000-73042 | O-ring | |
| 8 | 6261-61-2610 | Thermostat | |
| 9 | 6218-61-2620 | Collar | |
| 10 | 6210-61-2160 | Spring | |
| 11 | 01010-80820 | Bolt | |
| 12 | 01640-20816 | Washer | |
| 13 | 07040-13016 | Plug | |
| 14 | 6210-61-2550 | O-ring | |
| 15 | 07040-11409 | Plug | |
| 16 | 07005-01412 | Seal, Washer | |
| 17 | 6210-61-2811 | Gasket | |
| 18 | 01435-01030 | Bolt | |
| 19 | 01435-01060 | Bolt | |
| 20 | 01435-01090 | Bolt |