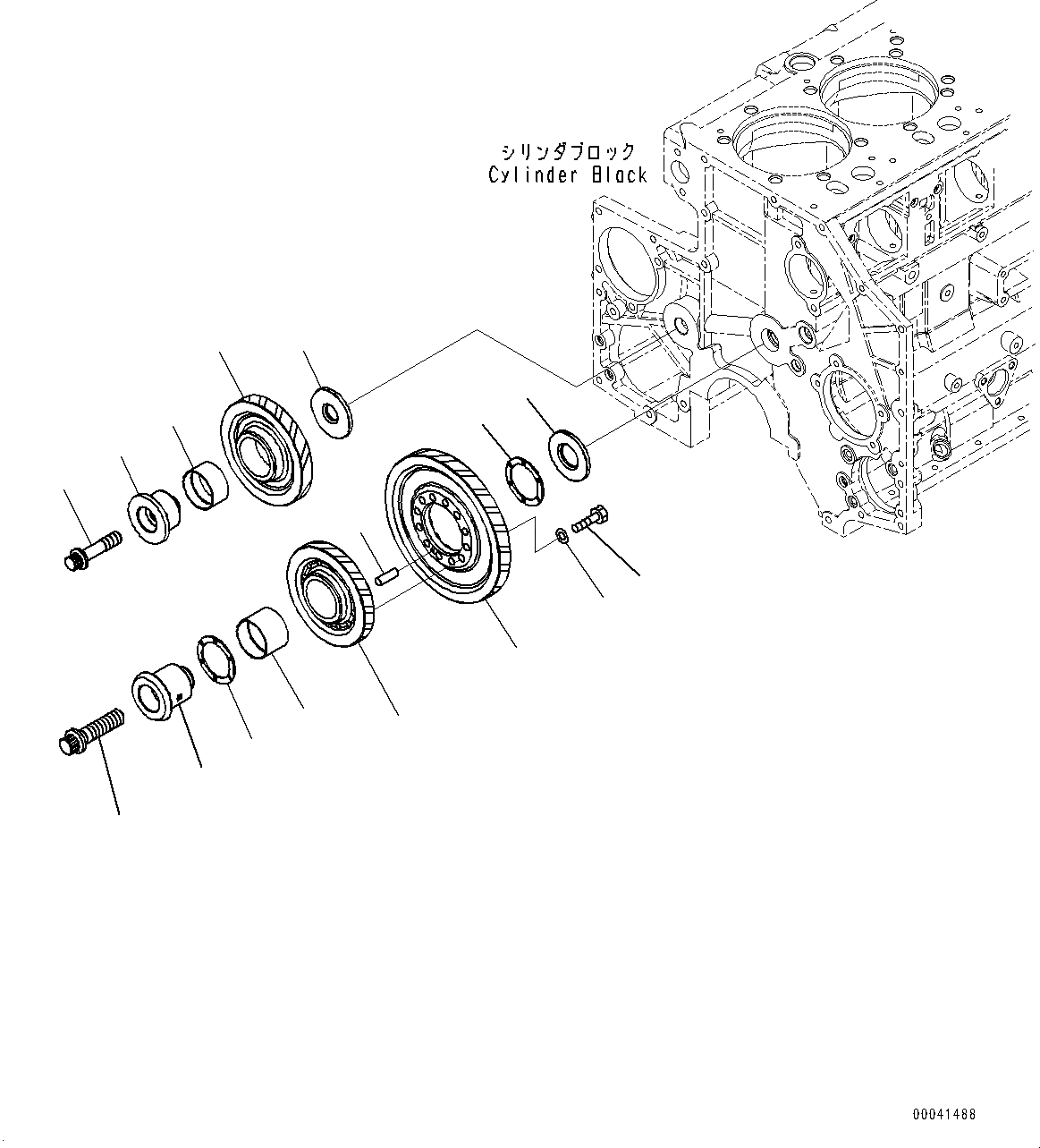
| 1 | 6212-31-6440 | Gear | |
| 1 | 6212-31-6420 | Gear Assembly | |
| 2 | Gear, Idler | ||
| 3 | 6212-31-6130 | Bushing | |
| 4 | 22X-22-12670 | Bolt | |
| 5 | 6212-31-6490 | Washer | |
| 6 | 04020-00514 | Pin, Dowel | |
| 7 | 6210-22-2410 | Shaft | |
| 8 | 6210-22-2420 | Plate | |
| 9 | 6162-33-5322 | Bolt | |
| 10 | 6212-31-6140 | Bearing, Thrust | |
| |$11 | 6212-31-6100 | Gear Assembly | |
| 11 | Gear, Idler | ||
| 12 | 6212-31-6120 | Bushing | |
| 13 | 6212-21-2511 | Shaft | |
| 14 | 6210-21-2422 | Plate, Thrust | |
| 15 | 6212-21-2450 | Bolt |