zakaz@zapkomat.su
8 800 777-45-32
Расчитать заявку
Каталог
Типы
Гидравлика
Крепеж
Прокладки
Соединения
Кожухи
Электрика
Справочник
Запрос сотрудничества
Сервисным организациям
Контакты
Главная
Справочник
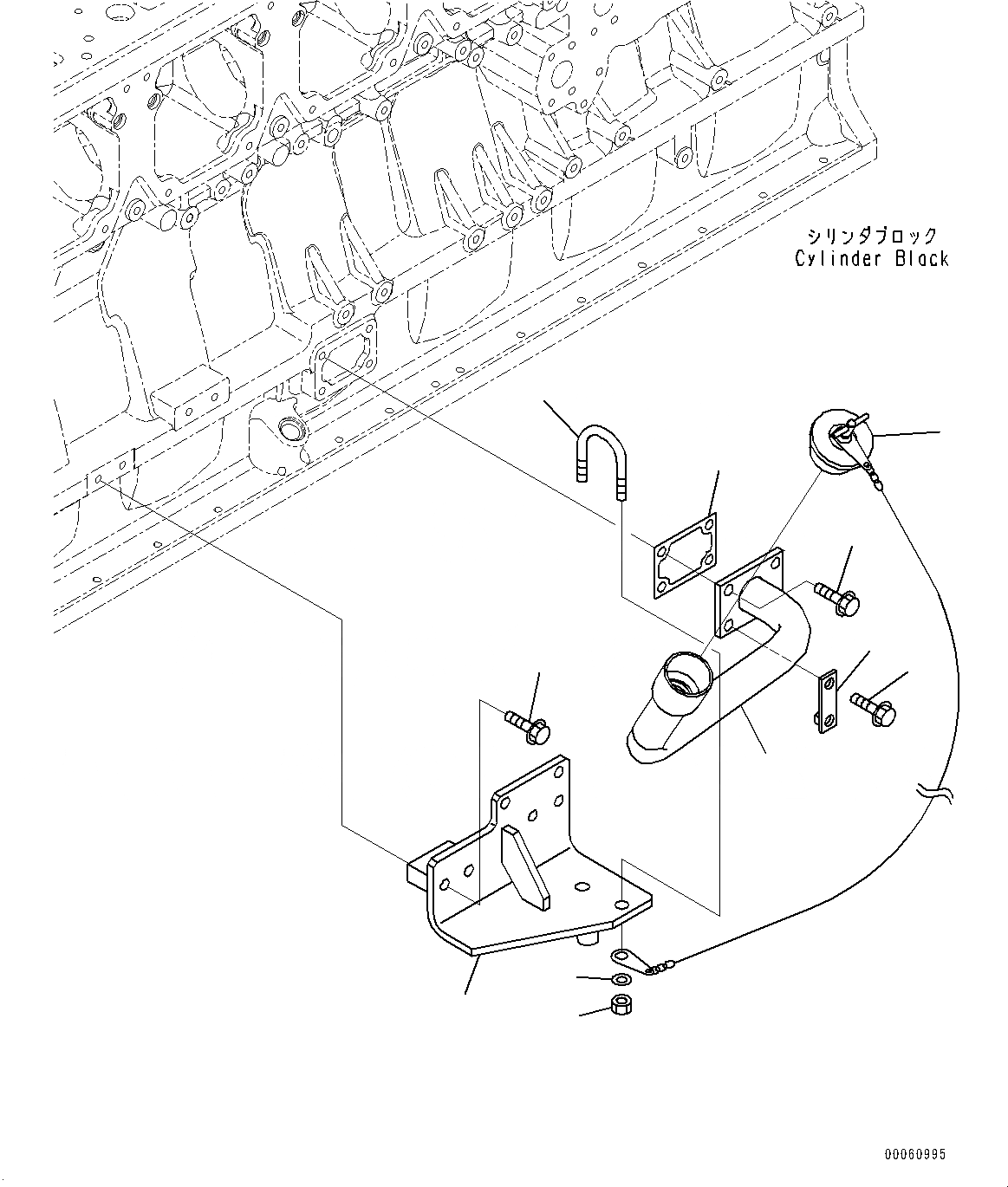
Запчасти двигатель маслоналивной патрубок (№8-) самосвалы hd465-7r s/n 15352-up Komatsu
1
6245-21-7640
Filler, Oil
2
07025-00100
Cap, Oil Filler
3
6206-21-6871
Gasket
4
01435-01025
Bolt
5
6934-71-5850
Plate
6
01435-01030
Bolt
7
6245-21-7650
Bracket
8
01435-01055
Bolt
9
07283-34346
Clip
10
01597-01009
Nut
11
01643-31032
Washer
1
2
3
4
5
6
7
8
9
10
11
X
Рассчитать
Ваше имя:
Телефон *:
E-mail:
Сообщение: Пришлите наличие и стоимость
Оформить заказ