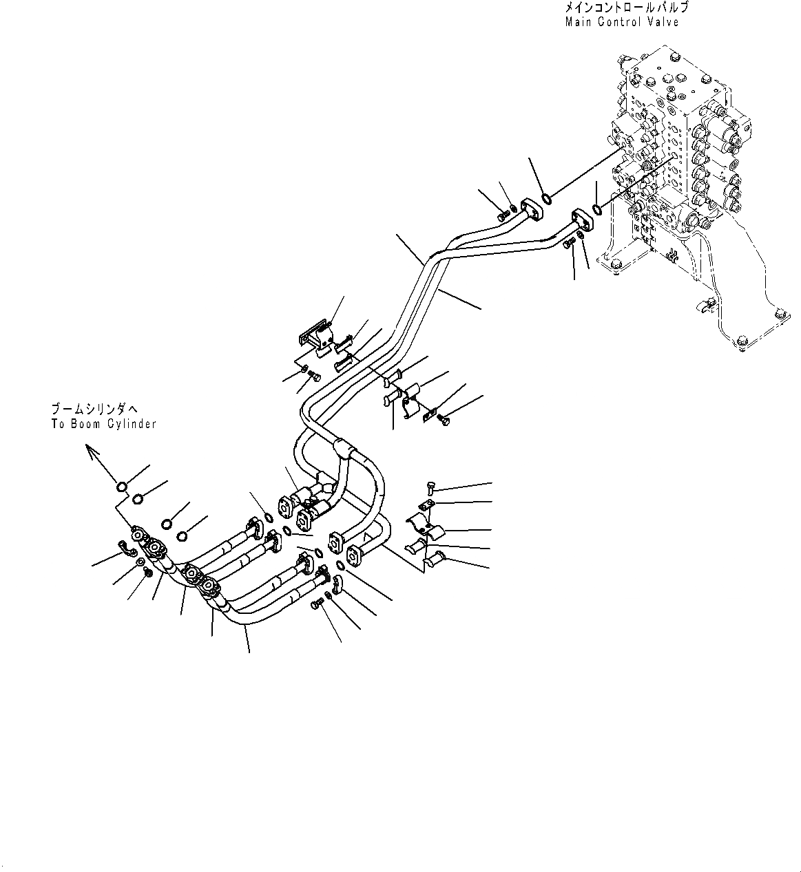
Запчасти трубы стрелы (№8-) экскаваторы pc220lc-8 s/n 85001-up Komatsu



1 20Y-62-41140 Tube
2 20Y-62-41150 Tube
3 07000-13032 O-ring
4 07371-30640 Flange, Split
5 07372-21035 Bolt
6 01643-51032 Washer
7 07372-21040 Bolt
8 01643-51032 Washer
9 206-62-71180 Clamp
10 20Y-62-13760 Seat
11 01010-81235 Bolt
12 01643-31232 Washer
13 20Y-62-13230 Clamp
14 20Y-62-13760 Seat
15 01010-81235 Bolt
16 20Y-62-13450 Plate
17 20Y-62-17480 Hose
18 07000-13025 O-ring
19 07371-30640 Flange, Split
20 07372-21035 Bolt
21 01643-51032 Washer
3
1
3
2
8
7
8
7
9
10
10
16
12
11
13
13
14
14
16
15
18
4
6
5
19
20
17
17
17
17
18
18
18
21
18
18
18
18
13
14
14
15
X
Рассчитать