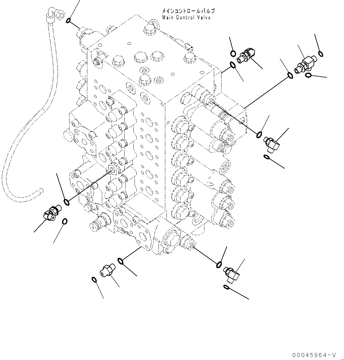
Запчасти управляющ. клапан, соединительн. части, / (№8-) экскаваторы pc220lc-8 s/n 85001-up Komatsu



1 20Y-62-41920 Elbow
2 02896-11008 O-ring
3 07002-11223 O-ring
4 02896-11008 O-ring
5 11Y-62-12160 Elbow
6 02896-11008 O-ring
7 07002-11423 O-ring
8 11Y-62-12160 Elbow
9 02896-11008 O-ring
10 07002-11423 O-ring
11 11Y-62-12330 Tee
12 02896-11008 O-ring
13 07002-11423 O-ring
14 11Y-62-12520 Union
15 02896-11009 O-ring
16 07002-11423 O-ring
4
14
13
12
12
11
10
9
8
7
6
5
3
2
1
3
2
1
16
15
X
Рассчитать