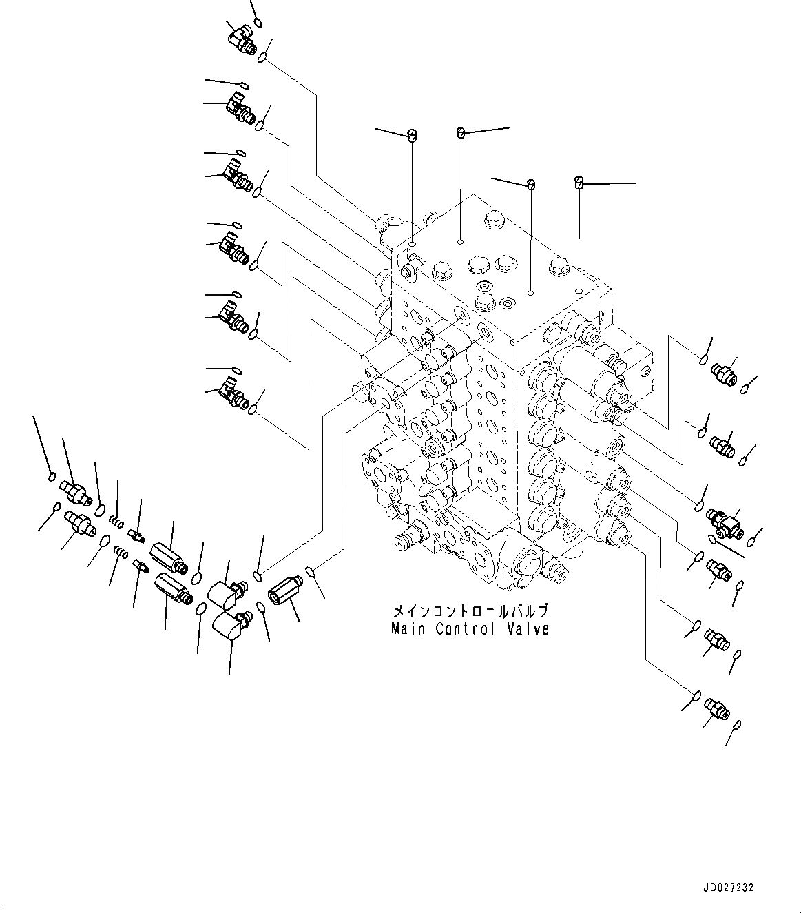
Запчасти управляющ. клапан, соединительн. части, / (№8-) экскаваторы pc220lc-8 s/n 85001-up Komatsu



1 07049-01012 Plug
2 07049-01215 Plug
3 20Y-62-45620 Elbow
4 02896-11008 O-ring
5 20Y-62-45610 Nipple
6 02896-11008 O-ring
7 11Y-62-12160 Elbow
8 02896-11008 O-ring
9 02782-10311 Elbow
10 02896-11009 O-ring
11 11Y-62-12330 Tee
12 02896-11008 O-ring
13 11Y-62-12130 Nipple
14 02896-11008 O-ring
15 11Y-62-12520 Union
16 02896-11009 O-ring
17 07002-11423 O-ring
18 20Y-62-22160 Adapter
19 20F-61-12460 Elbow
20 07002-11423 O-ring
20 20Y-62-41602 Valve Assembly
21 Body
22 20Y-60-22270 Poppet
23 20Y-62-41971 Nipple
24 701-20-61230 Spring
25 07002-11423 O-ring
26 02896-11008 O-ring
27 07002-11423 O-ring
6
5
14
13
17
17
20
19
20
18
19
20
17
7
8
27
26
25
24
23
22
21
27
26
25
24
23
22
21
17
3
4
8
7
17
17
17
7
8
3
4
14
13
17
6
5
17
1
2
1
2
17
16
15
17
9
10
17
12
11
12
X
Рассчитать