zakaz@zapkomat.su
8 800 777-45-32
Расчитать заявку
Каталог
Типы
Гидравлика
Крепеж
Прокладки
Соединения
Кожухи
Электрика
Справочник
Запрос сотрудничества
Сервисным организациям
Контакты
Главная
Справочник
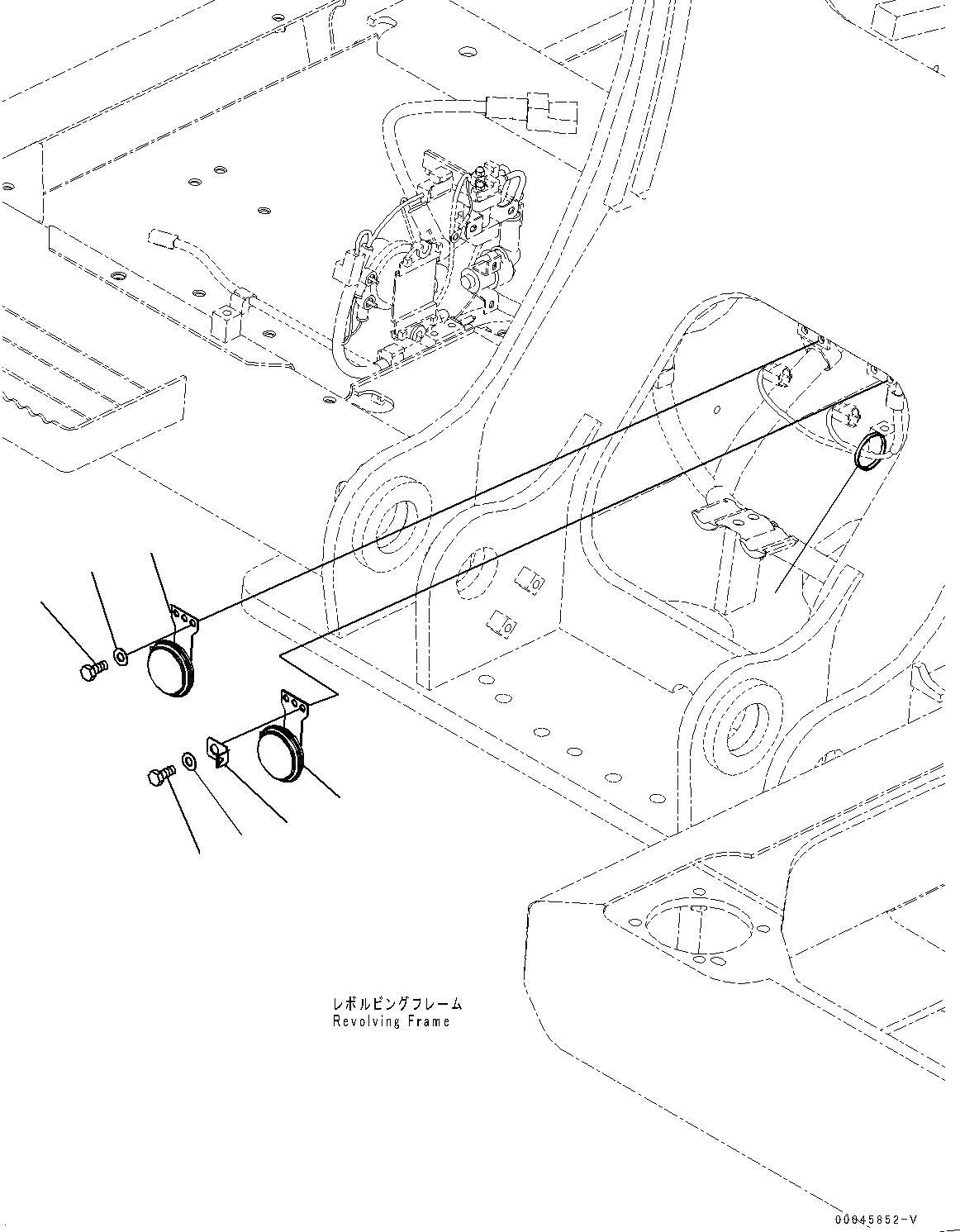
Запчасти звук. сигнал. (№-) экскаваторы hb215lc-1 s/n 1001-up Komatsu
1
08160-72400
Horn
2
08160-72420
Horn
3
01010-80825
Bolt
4
01643-30823
Washer
5
08057-12008
Clip
6
08034-20414
Band
2
1
5
4
3
4
3
6
X
Рассчитать
Ваше имя:
Телефон *:
E-mail:
Сообщение: Пришлите наличие и стоимость
Оформить заказ