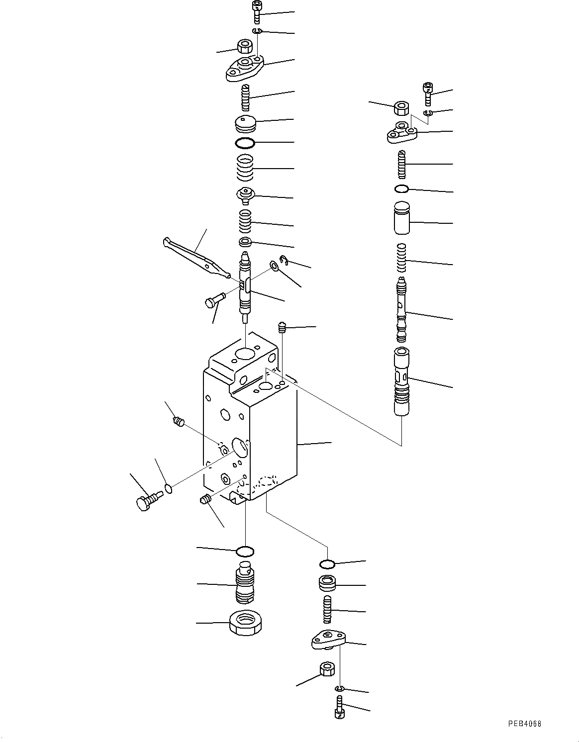
| |$0 | 708-2H-00440 | Pump Assembly | |
| |$1 | 708-27-09121 | Valve Assembly, Servo,Front | |
| |$2 | 708-27-09321 | Valve Subassembly, Servo,Front | |
| |$3 | 708-25-00830 | Body Assembly | |
| 1 | Body,Front | ||
| 2 | Expander | ||
| 3 | 708-25-15120 | Piston | |
| 4 | 708-27-25130 | Seat | |
| 5 | 708-27-16310 | Spring | |
| 6 | 708-23-15120 | Seat | |
| 7 | 708-27-16320 | Spring | |
| 8 | 708-23-15160 | Plug | |
| 9 | 07000-B2018 | O-ring | |
| 10 | 708-25-15150 | Cover | |
| 11 | 01580-10806 | Nut | |
| 12 | 708-25-15320 | Bolt | |
| 13 | 01602-20619 | Washer | |
| 14 | 708-25-65170 | Plug | |
| 15 | 07002-62034 | O-ring | |
| 16 | 07239-12009 | Nut | |
| 17 | 708-25-15180 | Sleeve | |
| 18 | 708-25-15280 | Spool | |
| 19 | 708-25-15310 | Spring | |
| 20 | 708-25-15330 | Spacer | |
| 21 | 708-25-15430 | Plug | |
| 22 | 708-25-15340 | Screw | |
| 23 | 07000-B2012 | O-ring | |
| 24 | 708-25-15250 | Cover | |
| 25 | 01580-10806 | Nut | |
| 26 | 708-25-15320 | Bolt | |
| 27 | 01602-20619 | Washer | |
| 28 | 708-25-15260 | Plug | |
| 29 | 07002-60823 | O-ring | |
| 30 | 708-67-16260 | Arm | |
| 31 | 708-25-15360 | Pin | |
| 32 | 708-25-15370 | Washer | |
| 33 | 708-25-15380 | E-ring |