zakaz@zapkomat.su
8 800 777-45-32
Расчитать заявку
Каталог
Типы
Гидравлика
Крепеж
Прокладки
Соединения
Кожухи
Электрика
Справочник
Запрос сотрудничества
Сервисным организациям
Контакты
Главная
Справочник
Запчасти кабина, пол, клапан, прав. (№8-) экскаваторы pc200lc-8e0 s/n 1118-up (hybrid spec.) Komatsu
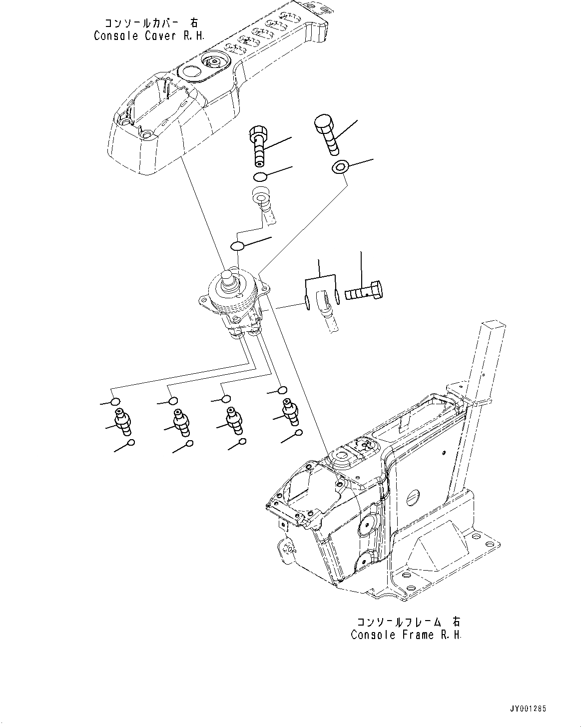
1
01010-80820
Bolt
2
01643-30823
Washer
3
20Y-62-18910
Plug
4
07000-12018
O-ring
5
20Y-62-18890
Bolt, Joint
6
07000-12015
O-ring
7
11Y-62-12130
Nipple
8
02896-11008
O-ring
9
11Y-62-12520
Union
10
02896-11009
O-ring
11
07002-11423
O-ring
10
5
11
11
9
9
11
10
8
11
7
8
7
3
4
4
6
2
1
X
Рассчитать
Ваше имя:
Телефон *:
E-mail:
Сообщение: Пришлите наличие и стоимость
Оформить заказ