zakaz@zapkomat.su
8 800 777-45-32
Расчитать заявку
Каталог
Типы
Гидравлика
Крепеж
Прокладки
Соединения
Кожухи
Электрика
Справочник
Запрос сотрудничества
Сервисным организациям
Контакты
Главная
Справочник
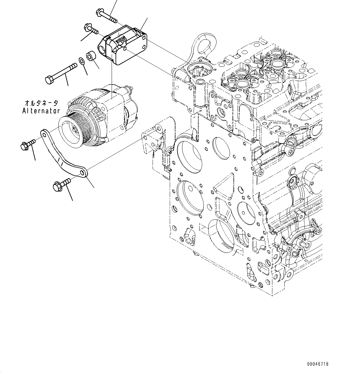
Запчасти крепление генератора (№-) двигатели saa4d107e-1c s/n 541103-up (for pc200-8e0/pc200lc-8e0) Komatsu
|$0
6754-81-6110
Support Assembly
1
6754-81-6120
Support
2
6732-81-6630
Spacer
3
6732-21-6630
Screw
4
6736-11-4460
Bolt
5
01018-31095
Bolt
6
01641-01016
Washer, Flat
7
6754-81-6130
Bracket
8
6735-71-3220
Bolt
9
6732-21-5160
Bolt
3
2
6
5
8
1
9
7
4
X
Рассчитать
Ваше имя:
Телефон *:
E-mail:
Сообщение: Пришлите наличие и стоимость
Оформить заказ