zakaz@zapkomat.su
8 800 777-45-32
Расчитать заявку
Каталог
Типы
Гидравлика
Крепеж
Прокладки
Соединения
Кожухи
Электрика
Справочник
Запрос сотрудничества
Сервисным организациям
Контакты
Главная
Справочник
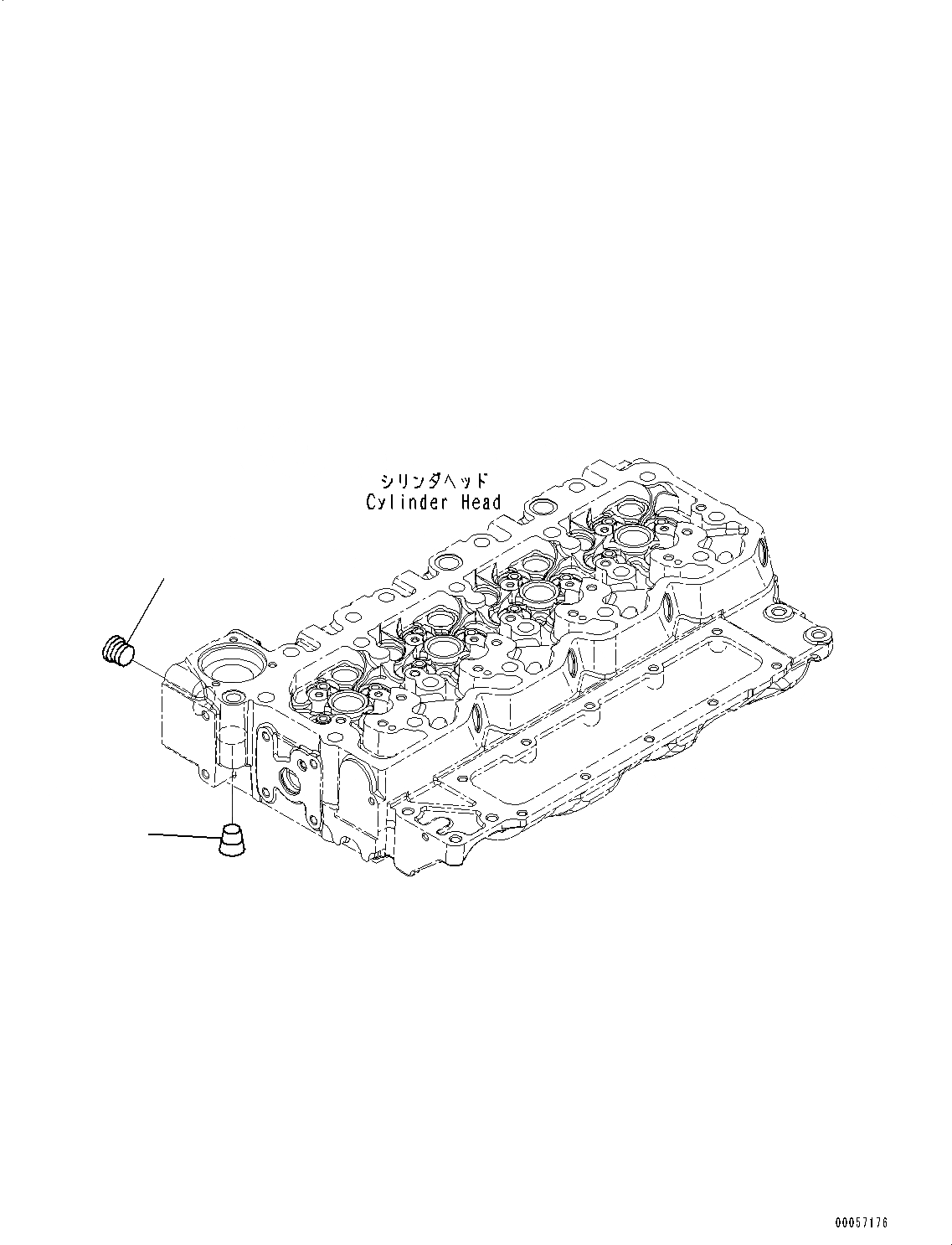
Запчасти заглушка (№-) двигатели saa4d107e-1c s/n 541103-up (for pc200-8e0/pc200lc-8e0) Komatsu
1
6216-14-6820
Plug Assembly
2
6732-11-1920
Plug
2
1
X
Рассчитать
Ваше имя:
Телефон *:
E-mail:
Сообщение: Пришлите наличие и стоимость
Оформить заказ